onsemi NCV8164 300mA LDO Regulators
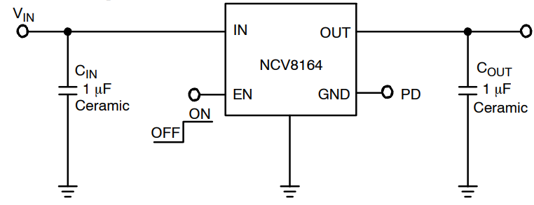
onsemi NCV8164 300mA LDO Regulators are the next generation of high PSRR, ultra-low noise, and low dropout regulators with Power Good (PG) open collector output. These regulators are designed to meet the requirements of RF and sensitive analog circuits and to provide low quiescent current. onsemi NV8164 LDO Regulators offer excellent load/line transients and work with a 1µF input and a 1µF output ceramic capacitor. These regulators are available in different packages, such as the industry-standard TSOP-5, WDFNW6 0.65P (2mm x 2mm), and DFNW8 0.65P (3mm x 3mm). Typical applications include communication systems, in-vehicle networking, general-purpose automotive, telematics, infotainment, and clusters.Features
- 1.6V to 5.5V operating input voltage range
- 1.2V to 5V fixed voltage options
- 1.2V adjustable version reference voltage
- ±2% accuracy overload and temperature
- 30µA typical ultra-low quiescent current
- 0.1µA typical standby current
- 110mV low dropout at 300mA for the 3.3V variant
- 85dB typical very high PSRR at 10mA and f=1kHz
- 9µVRMS ultra-low noise (fixed version)
- Stable with 1µF small case size ceramic capacitors
- Package types
- TSOP-5 3mm x 1.5mm x 1mm CASE 483
- WDFNW6 2mm x 2mm x 0.75mm CASE 511DW
- DFNW8 3mm x 3mm x 0.9mm CASE 507AD
- AEC-Q100 qualified and PPAP capable
Applications
- Communication systems
- In-vehicle networking
- General-purpose automotive
- Telematics, infotainment, and clusters
Typical Application Schematics
Additional Resource
發佈日期: 2020-09-04
| 更新日期: 2024-05-30
