ON Semiconductor Industrial Power Solutions

安森美半導體工業電源解決方案

全球能源需求到2030年預計將成長35%到40%,工業應用將是帶動成長的主要因素,而電子元件與半導體將在節能領域扮演重要角色。安森美半導體目前推出的功率半導體能幫助許多工業應用達成乾淨能源的目標。安森美半導體所供應的IGBT和MOSFET具有高電流處理能力,同時具備低傳導耗損與切換耗損;光學隔離式閘極驅動器具備寬廣的作業電壓範圍和高共模瞬態抗擾性;FPS™控制器是專為最少外部元件數量的高效能電源供應器所設計;創意的智慧雙線圈繼電器驅動器,含整合式開關和可自訂時序的晶圓級調整能力;以及網頁式工具,可省去繁雜的試驗時間,常見的電源供應器設計幾分鐘內就能完成,為您省下好幾週的時間。安森美半導體將功率類比元件、功率分離式元件及光電功能技術加以結合;這些功能的獨特組合,可實現創新的整合式解決方案;還有領先的製程與封裝技術,可縮小尺寸、減少發熱並降低成本。想要打造擁有能源效率的產品,包括從零件來源到系統,安森美半導體都是您的最佳選擇。

安森美半導體FAN324x智慧雙線圈繼電器驅動器

安森美半導體FAN324x智慧雙線圈繼電器驅動器包含雙通道高電流繼電器驅動器,專門設計用來驅動雙線圈極化閂鎖繼電器,以連接及中斷智慧電錶和太陽能逆變器應用的電源。FAN324x的輸出可在10V至60V額定值的供電軌下作業。濾波器/計時器區塊則透過提供輸入脈衝限制 (tQUAL) 和最高的輸出脈衝寬度限制 (tMAX),避免因有噪輸入訊號而發生意外切換。

產品特色
  • 可在未經過穩壓的供應線路10V至60V下作業
  • 使用外部開關,無法擊穿焊接點的強大DC電流
  • 整合線性穩壓器,適用於隔離式和非隔離式電錶的電源設計
  • 精準的輸入限制時間,含輸出脈衝寬度限制(由原廠調整)
  • XOR保護
  • TTL輸入閾值

  • 啟用腳位可保持運作彈性
  • 內部過熱關機保護
  • 8導線SOIC封裝
  • 環境額定溫度-40ºC至+105ºC

應用
  • 電錶/智慧電錶服務中斷開關
  • 太陽能逆變器線路中斷開關

FEBFAN324x評估板

安森美半導體FEBFAN324x評估板專為評估FAN324x系列中的產品所設計,例如FAN3240或FAN3241。FAN324x的輸出可在8V至60V額定值的供電軌下作業。濾波器/計時器區塊則透過提供輸入脈衝限制 (tQUAL) 和最高的輸出脈衝寬度限制 (tMAX),避免因有噪輸入訊號而發生意外切換。FAN324x有兩個獨立的驅動器通道,用於傳送雙線圈繼電器運作所需的繼電器開啟和繼電器關閉訊號。透過同一個啟用/停用腳位,即可同時關閉兩個通道,不受輸入訊號影響。具備內部過熱關機 (TSD) 功能,以提供過熱保護。這些FEBFAN324x評估板使用雙層的印刷電路板 (PCB),電路板設計成夠小的尺寸,適合在電錶受限的空間內進行評估,其外型尺寸為45.72 x 20.32 mm(1.8 x 0.8英寸)。

FEBFAN324x Evaluation Boards

Buy FEBFAN324x Evaluation Boards 檢視產品清單
方塊圖
Block Diagram

安森美半導體SuperFET® II功率MOSFET

安森美半導體SuperFET® II功率MOSFET是全新一代專有的高電壓MOSFET系列,其採用先進的電荷平衡機制,具有優異的低導通電阻和低閘極電荷效能。這項先進技術經過量身設計,能將傳導耗損降到最低,提供出色的切換效能,可承受極端的dv/dt速率和更高的突崩能量。這些SuperFET® II MOSFET適合切換模式作業下的各種AC/DC電源轉換,可實現系統微型化和高效率。


產品特色
  • TJ = 150°C時為650V
  • 低RDS(on)
  • 超低閘極電荷
  • 低有效輸出電容
  • 通過100%突崩測試
元器件編號封裝/殼體Vds - 汲極-源極崩潰電壓Id - 連續汲極電流Rds On - 汲極-源極導通電阻Qg - 閘極電荷Pd - 功率消耗產品資料








Loading First Previous Next Last

安森美半導體650V電場截止IGBT

安森美半導體650V電場截止IGBT技術能讓設計人員利用更高的輸入電壓,實現關鍵的低傳導耗損和切換耗損,藉此達到最高效能,開發出更高可靠度的系統設計。650V IGBT具有高電流處理能力、正溫度係數、緊密的參數散佈,和較廣的安全操作區域。更高的崩潰電壓,有助於在負值環境溫度下改善可靠度;溫度下降時,IGBT和FRD阻斷電壓亦隨之下降,因此裝置尤其適合寒冷氣候下使用的PV太陽能逆變器。謹慎選擇IGBT和飛輪二極體,是達到最高效率的關鍵,650V IGBT提供快速與軟恢復,不只可減少功耗,還能實現更低的開機損耗及關斷損耗。


ON Semiconductor FGAx0N65 650V Field Stop IGBTs

檢視產品清單

其他資源

安森美半導體FGAx0N65 650V電場截止IGBT

安森美半導體FGAx0N65 650V電場截止IGBT能讓設計人員利用更高的輸入電壓,實現關鍵的低傳導耗損和切換耗損,藉此達到最高效能,開發出更高可靠度的系統設計。這能協助太陽能逆變器、不斷電系統 (UPS) 和焊接應用的設計人員,推出具有熱調節功能,能改善能源效率,同時將元件數量降到最低的設計。這些650V IGBT具有高電流處理能力、正溫度係數、緊密的參數散佈,和較廣的安全操作區域。


產品特色
  • 高阻斷電壓能力
  • 最高接面溫度:TJ = 175°C
  • 正溫度係數,方便平行運作
  • 高電流能力
  • 低飽和電壓:VCE(sat) = 1.9V(典型值)
  • 低傳導耗損和切換耗損
  • 快速切換
  • 緊密的參數散佈
  • 符合RoHS標準
應用
  • 太陽能逆變器
  • UPS
  • SMPS
  • 焊接機
  • 功率因數校正 (PFC)


安森美半導體FGHx0T65 650V電場截止IGBT使用創新的電場截止溝槽IGBT技術,最新系列的電場截止溝槽IGBT提供最優異的效能,適用於重視低傳導耗損與切換耗損的太陽能逆電器、UPS、焊接機和數位發電機。


其他資源
FGH40T65UPD Datasheet
FGH50T65UPD Datasheet
FGH40T65 Image
Order Fairchild 650V Field Stop IGBTs 檢視產品清單
產品特色
  • 最高接面溫度:TJ = 175ºC
  • 正溫度係數,方便平行運作
  • 高電流能力
  • 低飽和電壓
  • 100%零件均經過ILM(2) 測試
  • 高輸入阻抗
  • 緊密的參數散佈
  • 符合RoHS標準
  • 短路耐用度在25ºC下小於5 us
應用
  • 太陽能逆變器、UPS、焊接機、數位發電機
  • 電信、ESS
元器件編號封裝/殼體集極至射極的飽和電壓集極至射極電壓VCEO最大值最大閘極射極電壓25 C時的連續集極電流產品資料







Loading First Previous Next Last

安森美半導體FSL306LRN節能模式降壓開關

安森美半導體FSL306LRN和FSL336LR節能模式降壓開關整合脈寬調變器 (PWM) 與SenseFET,是特別針對高效能的離線降壓、降壓與升壓,及採用最少外部元件數量的非隔離返馳切換式電源供應器 (SMPS) 所設計。這些裝置整合高電壓的電源穩壓器,不需輔助偏壓繞組便能運作。內建跨導放大器,因此可省下外部的回饋補償電路元件。

Features
  • 內建突崩強固型SenseFET:650V
  • 固定作業頻率:50kHz
  • 零負載耗電量:
    • 有外部偏壓電源在230VAC下小於25 mW
    • 無外部偏壓電源在230VAC下小於120 mW
  • 不需輔助偏壓繞組
  • 可調變頻率,以衰減EMI
  • 視脈衝而定的電流限制
  • 超低作業電流:250 µA
  • 內建軟啟動與啟動電路
  • 可調整峰值電流限制

  • 內建跨導(誤差)放大器
  • 多種保護功能:過載保護 (OLP)、過電壓保護 (OVP)、反饋開放迴路保護 (FB_OLP)、異常過電流保護 (AOCP)、過熱關機 (TSD)
  • 固定650 ms重新啟動時間,所有保護功能均具備安全自動重新啟動模式

應用
  • 家電和工業應用的SMPS
  • 輔助電源的SMPS
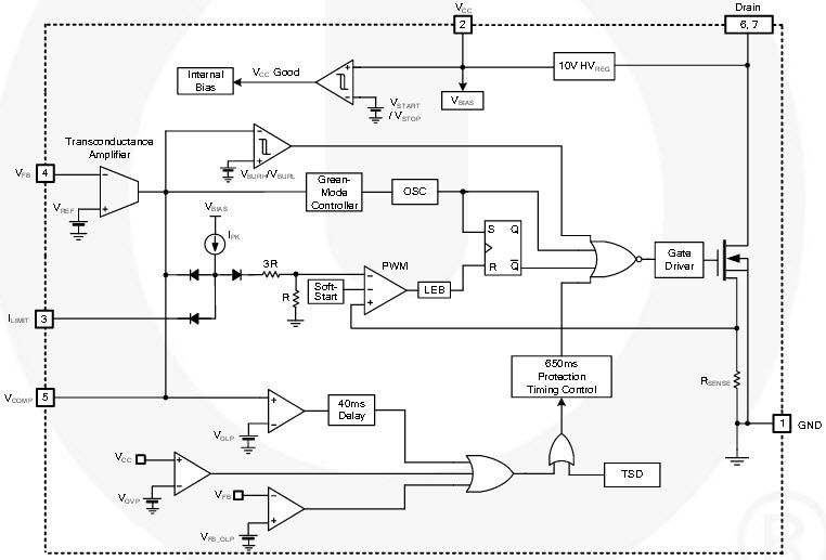
FSL306LRN方塊圖
FSL306LRN Block Diagram
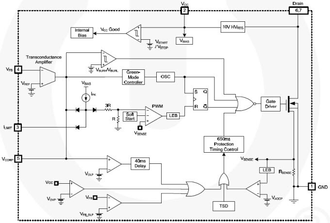
FSL336LR方塊圖
FSL336LR Block Diagram

安森美半導體FOD83xx Optoplanar®閘極驅動光耦合器

安森美半導體FOD83xx Optoplanar®閘極驅動光耦合器為2.5A輸出電流的進階閘極驅動光耦合器,用於驅動中功率的IGBT/MOSFET。這些光耦合器採用安森美半導體專利的共面封裝技術、Optoplanar®和最佳化的IC設計。FOD83xx光耦合器亦提供廣泛的工業級溫度範圍,介於-40至+100ºC,很適合工業逆變器應用和高效能功率系統中功率IGBT和MOSFET的快速切換。


FOD8316 Optoplanar® IGBT驅動光耦合器

FOD8316 Optoplanar® IGBT驅動光耦合器提供可避免故障狀況的必要保護功能,能防止IGBT發生毀滅性熱失控。這些光耦合器採用安森美半導體專利的共面封裝技術、Optoplanar®和最佳化的IC設計,具備共模拒斥特性和電源供應抑制規格,擁有高雜訊抗擾性。FOD8316光耦合器內含整合式閘極驅動光耦合器,具備低RDS(ON) CMOS電晶體,可從軌對軌驅動IGBT,並整合高速隔離反饋可感測故障。裝置採用精巧的16腳位小尺寸塑膠封裝,符合8 mm漏電距離和間隙要求。

FOD8316 Optoplanar® IGBT Drive Optocouplers

產品特色
  • 具備共模拒斥特性,擁有高雜訊抗擾性:
    最小35 kV/µs (Vcm = 1500 Vpk)
  • 2.5A峰值輸出電流驅動能力,適用多數的1200V/150A IGBT
  • 光學隔離式故障感測反饋
  • 「軟」IGBT關斷
  • 內建IGBT保護
    • 去飽和偵測
    • 欠壓鎖定保護
  • 1414V(峰值)額定工作電壓
  • 8000V(峰值)額定瞬態隔離電壓
  • 15V至30V寬廣的供應電壓範圍;輸出級使用P通道MOSFET,輸出電壓擺動接近供電軌(軌對軌輸出)
  • 3.3V/5V,CMOS/TTL相容輸入

  • 高速:全作業溫度範圍內的傳播延遲最大500 ns
  • 延伸的工業溫度範圍:-40ºC至100ºC
  • RDS(ON)為1Ω(典型值),功率消耗更低
  • 使用者可設定:反向、非反向、自動重置、自動關機
  • 8 mm漏電和間隙距離

應用
  • 工業逆變器
  • 感應加熱
  • 隔離IGBT驅動器

FEBFOD8316評估板

安森美半導體FEBFOD8316評估板具有升壓電路,專門用於評估驅動IGBT功率模組時的FOD8316時序與AC測試效能。FOD8316設計成能在多數應用中作為獨立式、光學耦合的閘極驅動器運作。此評估板內含FOD8316元件、非反向雙極 (NPN/PNP) Totem Pole電流緩衝器、兩個電容器負載 (10 nF/51 nF),還有用於電源供應器和輸入訊號的連接器與測試端子。FEDFOD8316評估板能讓使用者快速評估FOD8316智慧閘極驅動光耦合器的效能。


安森美半導體FOD8318 IGBT驅動光耦合器

安森美半導體FOD8318 IGBT驅動光耦合器為進階的2.5A輸出電流IGBT驅動光耦合器,可驅動多數的1200V/150A IGBT。這些光耦合器適合在馬達控制逆變器應用和高效能功率系統中快速切換驅動所使用的功率IGBT和MOSFET。此光耦合器內含整合式閘極驅動光耦合器,具備低RDS(on) CMOS電晶體,可從軌對軌驅動IGBT,並整合高速隔離反饋可感測故障。FOD8318擁有主動式米勒箝位功能,可在高dv/dt狀況下關閉IGBT,不需依賴負供應電壓。此光耦合器提供可避免故障狀況的必要保護功能,能防止IGBT發生毀滅性熱失控。

FOD8316 Optoplanar® IGBT Drive Optocouplers

 Datasheet
產品特色
  • 具備共模拒斥特性,擁有高雜訊抗擾性
  • 2.5A峰值輸出電流驅動能力,適用多數的1200V/150A IGBT
  • 光學隔離式故障感測反饋
  • 主動式米勒箝位,可在高dv/dt狀況下關閉IGBT,不需依賴負供應電壓
  • 軟IGBT關斷
  • 內建IGBT保護
  • 15V至30V寬廣的供應電壓範圍
  • 3.3V/5V,CMOS/TTL相容輸入
  • 高速(最高500 ns)
  • 延伸工業溫度範圍,-40ºC至100ºC溫度範圍

  • 安全與法規審核(UL1577、DIN EN/IEC 60747-5-5,1,414)
  • RDS(on)為1Ω(典型值),功率消耗更低
  • 使用者可設定:反向、非反向、自動重置、自動關機
  • 8 mm漏電和間隙距離
      應用
      • 工業逆變器
      • 感應加熱
      • 隔離IGBT驅動器

    安森美半導體FOD8320 Optoplanar®閘極驅動光耦合器

    安森美半導體FOD8320 Optoplanar®閘極驅動光耦合器內含一個砷化鎵鋁 (AlGaAs) LED,光學耦合至內含推挽式MOSFET輸出級高速驅動器的積體電路。這些FOD8320光耦合器採用安森美半導體Optoplanar®封裝技術和最佳化的IC設計,可達到可靠的高隔離電壓,並具備高雜訊抗擾性。這些光耦合器皆採用廣體的5腳位小尺寸封裝,輕巧不佔空間,同時允許超過10 mm的漏電和間隙距離,以及0.5 mm的內部絕緣距離。

    ON Semiconductor FOD8320 Optoplanar® Gate Drive Optocouplers

    檢視產品清單

    Datasheet
    功能與優點
    • Optoplanar封裝技術提供可靠的高電壓隔離
    • 體積小巧
    • 輸出級使用P通道MOSFET,輸出電壓擺動接近供電軌
    • 欠壓鎖定 (UVLO),含遲滯
    • 安全認證和法規審核:
      • UL1577,5000 VRMS達1分鐘/li>
      • 符合ROHS標準
      • DIN-EN/IEC60747-5-5,1,414 Vpeak工作電壓,8,000V額定峰值瞬態隔離電壓
    規格
    • 10 mm最小漏電和間隙距離
    • 2.5A輸出電流驅動能力,適用於中功率IGBT/MOSFET
    • 35 kV/µs最小共模雜訊抑制 (CMR)
    • 15V至30V寬廣的供應電壓範圍
    • 全作業溫度範圍下均可快速切換:
      • 400 ns最大傳播延遲
      • 100 ns最大脈寬失真
    • 延伸的工業溫度範圍:-40至100ºC

    安森美半導體FOD8321 Optoplanar®閘極驅動光耦合器

    安森美半導體FOD8321 Optoplanar®閘極驅動光耦合器採用安森美半導體專利的共面封裝技術、Optoplanar®和最佳化的IC設計,可達到可靠的高隔離電壓,並具備高雜訊抗擾性。這些光耦合器內含一個砷化鎵鋁 (AIGaAs) LED,光學耦合至內含推挽式MOSFET輸出級高速驅動器的積體電路。裝置採用廣體的5腳位小尺寸塑膠封裝。

    ON Semiconductor FOD8321 Optoplanar® Gate Drive Optocouplers
    檢視產品清單

    Datasheet
    產品特色
    • 安森美半導體Optoplanar®封裝技術提供
      • 可靠的高電壓隔離
      • 8 mm以上的漏電和間隙距離
      • 0.5 mm內部絕緣距離
      • 體積小巧
    • 2.5A輸出電流驅動能力,適用於中功率IGBT/MOSFET:輸出級使用P通道MOSFET,輸出電壓擺動接近供電軌
    • 20 kV/µs最小共模雜訊抑制
    • 15V至30V寬廣的供應電壓範圍

    • 全溫度範圍下均可快速切換
      • 500 ns最大傳播延遲
      • 300 ns最大脈寬失真
    • 欠壓鎖定 (UVLO),含遲滯
    • 延伸的工業溫度範圍:-40至100ºC

    應用
    • AC和無刷DC馬達驅動器
    • 工業逆變器
    • 不斷電系統
    • 感應加熱
    • 隔離IGBT/功率MOSFET閘極驅動器
    • ON Semiconductor
    發佈日期: 2013-09-18 | 更新日期: 2022-03-11