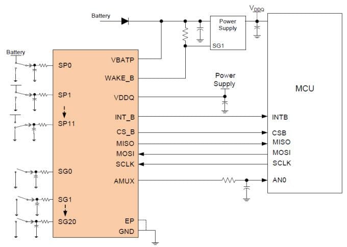
NXP Semiconductors CD1030 Multiple Switch Detection Interface IC
NXP CD1030 Multiple Switch Detection Interface IC detects the closing and opening of up to 33 switch contacts. CD1030 transfers the switch status of open or closed to the microprocessor unit (MCU) through a serial peripheral interface (SPI). This NXP SMARTMOS interface IC also features a 35-to-1 analog multiplexer for reading the input channels as analog inputs. The CD1030 includes independently programmable wetting currents (2mA to 20mA) and also features a battery and temperature monitor. With normal and low-power modes, the NXP CD1030 Multiple Switch Detection Interface IC is ideal for automotive and industrial applications that require low sleep-state currents.Features
- 4.5V ≤ VBATP ≤ 36V fully functional operation
- 6.0V ≤ VBATP ≤ 28V full parametric operation
- -1.0V to +36V operating switch input voltage range
- 12x programmable inputs (switches to battery or ground)
- 21x switch-to-ground inputs
- Selectable wetting current (2.0mA, 6.0mA, 8.0mA, 10mA, 12mA, 14mA, 16mA, or 20mA)
- Interfaces directly to an MCU using 3.3V/5.0V SPI protocol
- Selectable wake-up on change of state
- Typical standby current
- IBATP = 50μA
- IDDQ = 10μA
- Active interrupt (INT_B) on switch state change
- Integrated battery and temperature sensing
- 48-pin LQFP-EP package
- -40°C to +125°C temperature range
- AE suffix parts are Lead-free
Applications
- Automotive
- Heating, ventilation, and air conditioning (HVAC)
- Lighting
- Central gateway/in-vehicle networking
- Gasoline engine management
- Industrial
- Programmable logic control (PLC)
- Process control, temperature control
- Input-output control (I/O Control)
- Single board computer
- Ethernet switch
Block Diagram
發佈日期: 2016-03-23
| 更新日期: 2022-03-11
