Nisshinbo NJU2103A & NJU2103B System Reset ICs
Nisshinbo NJU2103A and NJU2103B System Reset ICs are power supply voltage monitoring ICs that instantaneously detect an abnormality and generate a reset signal. These abnormalities include power supply voltage cutoffs or drops. The NJU2103A and NJU2103B ICs can monitor two 5V power supply systems and arbitrarily set the voltage. These ICs are fully compatible with the NJM2103 supervisory ICs. Typical applications include industrial equipment, housing/facility equipment, OA equipment, and amusement equipment.Features
- Power supply voltage monitoring IC
- Instantaneously detects abnormality such as power supply voltage cutoff or drop
- Generates a reset signal in the event of an abnormality
- Monitor 2x systems of 5V power supply and arbitrarily set voltage
- Fully compatible with NJM2103 supervisory ICs
- Improve usability by extending the operating temperature
- Standardized AC characteristics
- Makes each parameter highly accurate
Applications
- Industrial equipment
- Housing and facility equipment
- OA equipment
- Amusement equipment
Specifications
- 4.2V ±1.0% detection voltage (VSA)
- 1.22V ±1.0% adjustable detection (VSB)
- 1.235V ±1.0% possible to detect over voltage (VSC)
- Low 280µA quiescent current (typical)
- Low 0.8V reset operation voltage (typical)
- Available in DMP8, DIP8, or TVSP8 packages
- -40°C to +125°C operating temperature range
Block Diagram
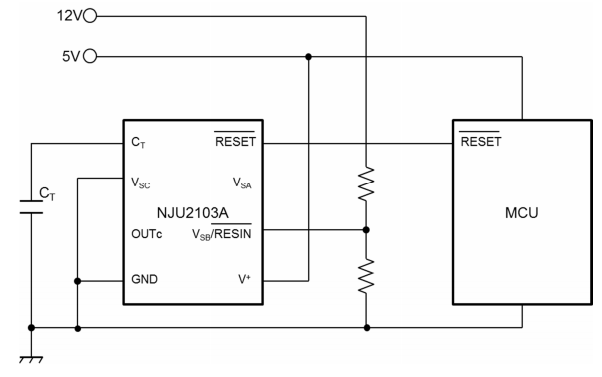
Typical Application Circuit
發佈日期: 2019-12-11
| 更新日期: 2024-05-17
