Nisshinbo RP110x LDO Voltage Regulators
Nisshinbo RP110x LDO Voltage Regulators implement CMOS process technology with high output voltage accuracy, ultra-low supply current, and low ON-resistance transistor. The RP110x incorporates a voltage reference unit, an error amplifier, a resistor net for output voltage setting, a current limit circuit for preventing short circuits, a soft-start circuit, and a chip enable circuit.The Nisshinbo RP110x LDO voltage regulators can prolong each system's battery life by minimizing the supply current to 1µA. The external capacitor delivers 0.1µF with phase compensation. The device also has a constant slope circuit as a soft-start circuit, which does not require any external capacitor. Furthermore, the RP110x minimizes the inrush current and prevents the output voltage overshoot at the start-up.
The RP110x is available in a small SOT-23-5, SC-88A, ultra-small DFN(PLP)0808-4, and DFN1010-4 package, allowing the high-density mounting of an LDO regulator.
Features
- Supply current of 1.0µA typical (except the current through the CE pull-down circuit)
- Standby current of 0.1µA typical
- Dropout voltage of 0.28V typical (IOUT=150mA, VOUT=2.8V)
- Output voltage accuracy of ±1.0%
- Temperature-drift coefficient of an output voltage of ±100ppm/°C typical
- Line regulation of 0.02%/V typical
- DFN(PLP)0808-4, DFN1010-4, SC-88A, SOT-23-5 packages
- 1.4V to 5.25V input voltage range
- 0.8V to 3.6V (0.1V steps) output voltage range
- Built-in fold-back protection circuit of 50mA typical (current at short mode)
- 0.1µF or more ceramic capacitors are recommended to be used with this IC
- Built-in constant slope circuit
Applications
- Power source for portable communication equipment
- Power source for electrical appliances such as cameras, VCRs, and camcorders
- Power source for battery-powered equipment
Typical Application
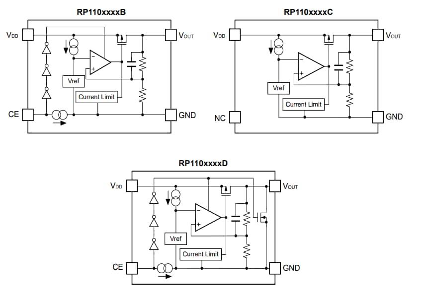
Block Diagrams
發佈日期: 2023-02-01
| 更新日期: 2023-02-08
