Monolithic Power Systems (MPS) EVL5520-QJ-00A Evaluation Board
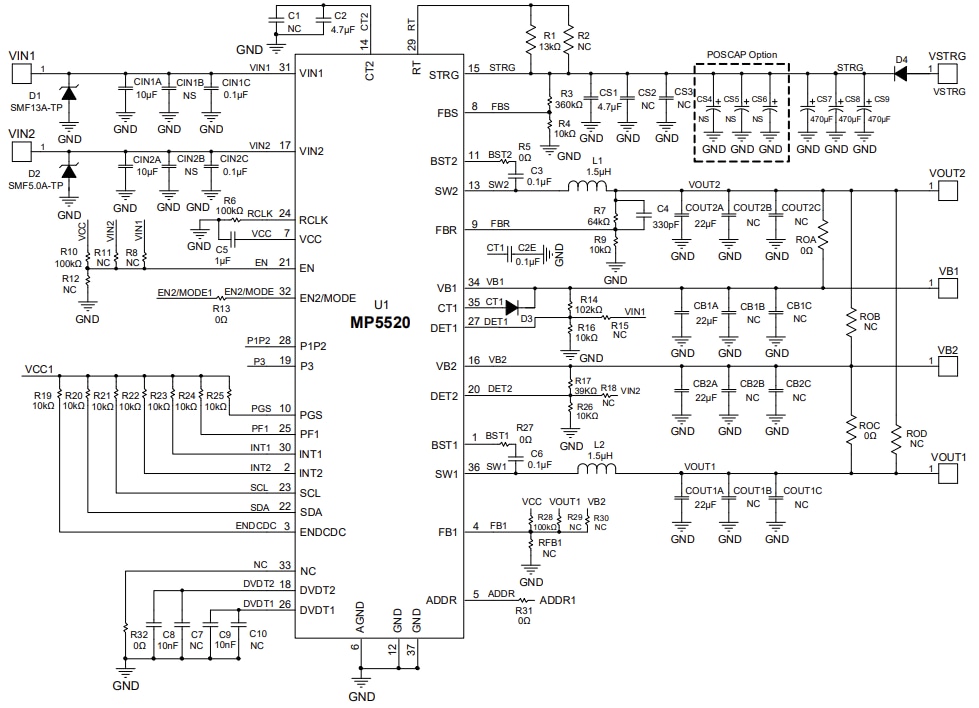
Monolithic Power Systems (MPS) EVL5520-QJ-00A Evaluation Board is designed to demonstrate the capabilities of the MP5520 Power Management IC (PMIC). This MP5520 is a high-efficiency monolithic converter used for power management in enterprise and data center Solid-State Drive (SSD) applications. The EVL5520-QJ-00A evaluation board comes in 8cm x 8cm x 3cm dimensions. This evaluation board is ideally used in enterprise SSDs and power backup solutions.Features
- Evaluates MP5520 Power Management IC (PMIC)
- 8cm x 8cm x 3cm board dimensions
Applications
- Enterprise Solid-State Drives (SSDs)
- Power backup solutions
Schematic
發佈日期: 2024-09-06
| 更新日期: 2024-09-25
