Mini-Circuits TAV2-501+ 50Ω SMD Low Noise E-PHEMPT RF Amplifier
Mini-Circuits TAV2-501+ 50Ω SMD Low Noise E-PHEMPT RF Amplifier is an ultra-low noise, high IP3 transistor device that is manufactured using EE-PHEMT technology enabling it to work with a single positive supply voltage. Measuring 2mm x 2mm, the 8-lead MCLP packaged component provides low inductance, repeatable transitions, and excellent thermal contact to the PCB. Enhanced linearity over a 0.4GHz to 3.9GHz frequency range makes the TAV2-501+ ideal for us in driver amplifiers for complex waveform up converter paths or divers in linearized transmit systems. This single device covers many wireless communications bands including cellular, ISM, GSM, WCDMA, WiMax, WLAN, and more.Features
- Low noise figure, 0.6dB typical at 0.9GHz, 4.5V
- High output, +42.9dBm typical at 2GHz, 4.5V
- 2mm x 2mm, 8-lead MCLP package
- Footprint compatible with ATF-501P8
- Single positive supply voltage
- Combines high gain (16.4dB) with a very low noise figure (0.7dB)
- Externa biasing and matching required
- Moisture sensitivity level (MSL) 1
- RoHS compliant
Applications
- Cellular
- ISM
- GSM
- WCDMA
- WiMax
- WLAN
Specifications
- 50Ω impedance
- 0.4GHz to 3.9GHz frequency range
- Maximum voltages
- 7V drain-source
- -5V to +0.8V gate-source/drain range
- Maximum currents
- 500mA drain
- 60µA gate
- 2.4W maximum total dissipated power
- 28dBm maximum RF input power
- 23°C/W maximum thermal resistance
- Temperatures
- 150°C maximum channel
- -40°C to +85°C operating range
- -65°C to +150°C storage range
- 45% typical power-added efficiency
- 65µA typical gate leakage current
- 0.38v typical threshold voltage
Simplified Schematic & Pad Description
Block Diagram
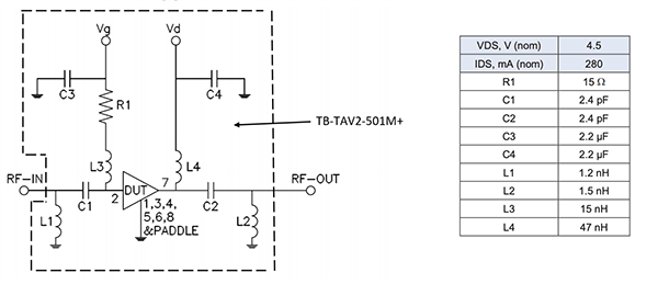
Recommended Application Circuit
發佈日期: 2021-05-05
| 更新日期: 2022-03-11
