Mikroe MIKROE-3134 NDIR CO2 Click
Mikroe MIKROE-3134 NDIR CO2 Click is an advanced integrated CO2 gas sensor system that measures an absolute CO2 concentration by using the CDM7160 integrated sensor. This CO2 click board is integrated with MCU which processes the readings and outputs the absolute CO2 gas concentration value through the UART or I2C interface. Mikroe MIKROE-3134 NDIR CO2 click board includes a dual-wavelength sensing method, which gives accurate absolute readings and also provides immunity against dust pollution. This click board is ideal for air conditioners, indoor air quality controllers, and venting system applications.The core component of the NDIR CO2 Click is the CDM7160 sensor, a pre-calibrated single light source, dual wavelength, and CO2 sensing system. This sensor works on the non-dispersive infrared (NDIR) sensing principle with two detection elements.
Features
- Dual IR sensors
- Differential reading of the CO2 concentration
- Provides absolute CO2 gas concentration levels
- Long-term stability
- Accuracy
- Immunity to interferences and pollution
- I/O interface types
- Analog
- I2C
- UART
Applications
- Air conditioners
- Indoor air-quality controllers
- Automatic fresh air exchange and venting systems
Overview
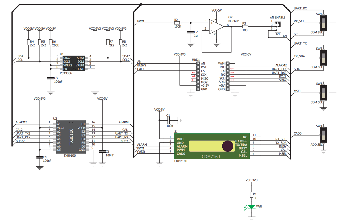
Schematic
Additional Resource
發佈日期: 2018-09-03
| 更新日期: 2022-09-12
