Microchip Technology MCP73831/2充電管理控制器

Microchip MCP73831/2充電管理控制器具有高精度,適用於空間限制、成本敏感型應用。MCP73831/2採用8引線、2x3mm DFN封裝或5引線SOT-23封裝。MCP73831/2非常適用於需要少量外部組件的便擕式應用。該控制器遵循所有用於USB埠充電型應用的USB電源匯流排相關規範。

特點

  • 線性充電管理控制器:
    • 整合式旁通電晶體
    • 整合式電流感應
    • 反向放電保護
  • 高精度預設電壓調節:+0.75%
  • 四種電壓調節選項:
    • 4.20V, 4.35V, 4.40V, 4.50V
  • 可編程充電電流:15mA至500mA
  • 可選擇預處理:
    • 10%、20%、40%或禁用
  • 可選擇充電端控制:
    • 5%、7.5%、10%或20%
  • 充電狀態輸出
    • 三態輸出 - MCP73831
    • 開漏輸出 - MCP73832
  • 自動功率下降
  • 熱調節
  • 溫度範圍:-40°C至+85°C
  • 封裝:
    • 8引線、2x3mm DFN
    • 5引線SOT-23

應用

  • 鋰離子/鋰聚合物電池充電器
  • 個人資料助手
  • 手提電話
  • 數位相機
  • MP3播放器
  • 藍牙耳機
  • USB充電器

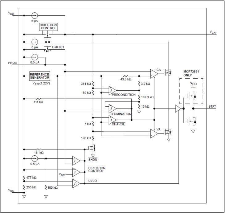
結構圖

Microchip Technology MCP73831/2充電管理控制器
發佈日期: 2016-08-15 | 更新日期: 2023-08-03