Microchip Technology MCP19116/MCP19117類比電流控制器
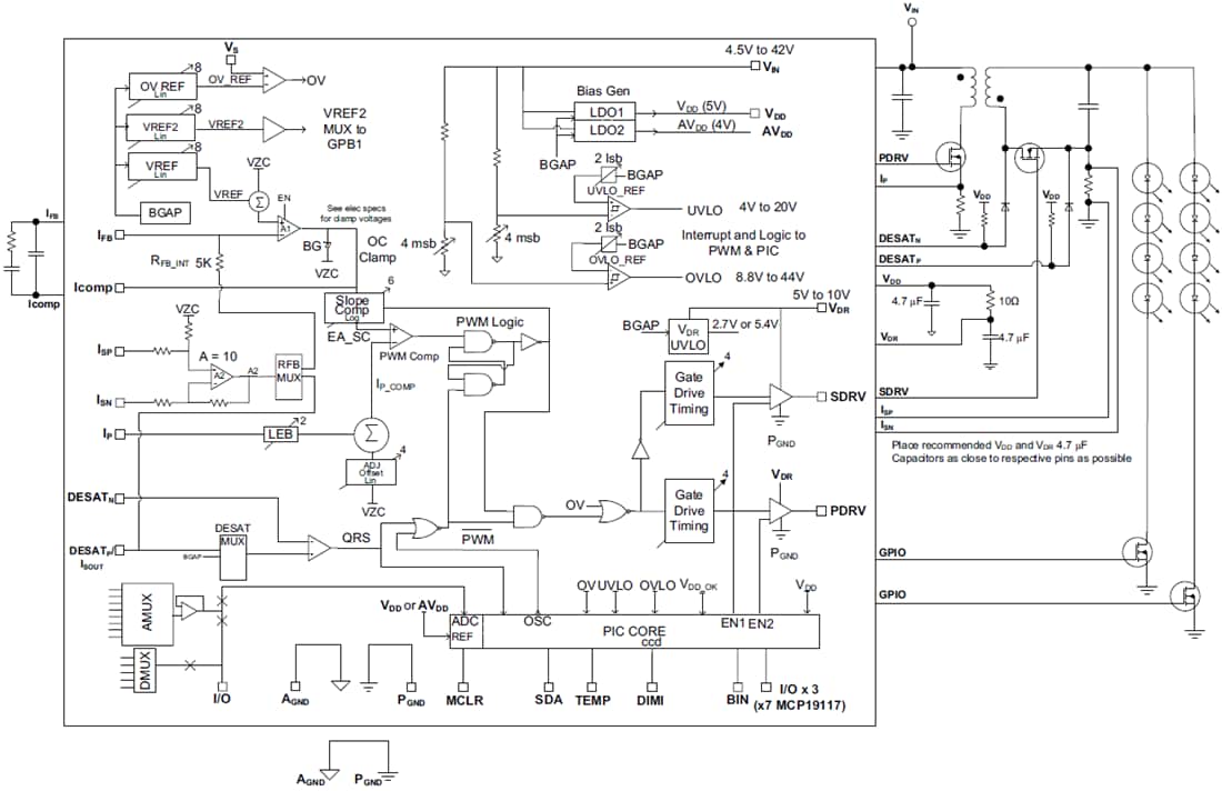
Microchip MCP19116/MCP19117類比電流控制器是中壓(4.5V至42V)類比PWM控制器(附帶一個整體式8位PIC™微控制器)。該獨特的產品系列結合了高速類比解決方案的性能(包括高效率和快速瞬態回應)及數位解決方案的可配置性和通信介面。將這些類型的解決方案相結合產生一個新的器件系列,該系列集各技術長處於一身,實現了更經濟高效、可配置且性能卓越的電源轉換解決方案。這些產品可用於開發靈活電源,使用最少外部組件完美地配置到目標應用。同樣,還可將這些器件編程為對系統內測量或事件作出動態回應。透過動態定制環境操作或對穩健操作的故障作出智能回應來實現這一點。MCP19116/MCP19117型號與MCP19114和MCP19115型號類似,但包含額外校准功能,可提高精度和測量。這些裝置還配有較大的閃存記憶體,用於在器件中存儲其他代碼。MCP19117在功能上與MCP19116相當,但MCP19117提供更多GPIO和一個調試介面。MCP19116/MCP19117硬件和軟件開發工具提供一個方便且強大的開發平台,可用於開發和評估升壓和降壓/升壓電源設計。
特點
- 電流調節精度(溫度變化小於5%),包括全部線路、負載和系統變化
- 在寬工作範圍內具有動態可調輸出電流
- 寬工作電壓範圍:4.5V至42V
- 類比峰值電流模式脈衝寬度調制(PWM)控制
- 整體式8位PIC®微控制器
- 顯著可配置性:可調輸出電壓、輸出電流、MOSFET空載時間、前沿消隱時間、熱回應、斜率補償、過流保護、過壓和欠壓鎖定電平
- 可用固定頻率或准諧振模式操作,可調節在31kHz至2MHz之間
- I2C通信介面
結構圖
發佈日期: 2019-07-31
| 更新日期: 2023-06-05
