Microchip MCP1665 PFM/PWM Step-up Converter

Microchip MCP1665 PFM/PWM升壓轉換器

Microchip MCP1665 PFM/PWM升壓轉換器專門設計用來為電池供電應用提供省空間、高電壓的升壓電源供應解決方案。此MCP1665轉換器具備36V、100mΩ整合式開關、管理型啟動電壓、內建補償、可調整輸出電壓,以及脈衝頻率調變/脈寬調變 (PFM/PWM) 模式。轉換器的欠壓鎖定 (UVLO) 功能可避免在低輸入或鈕扣型電池供電應用電池沒電的情況下啟動和運作。典型值3.6A的逐週期電感器峰值電流限制作業,可保護整合式開關。

反饋電阻器意外斷開時,輸出過電壓保護和開路負載保護能將反饋腳位短路,藉此關閉開關。此MCP1665升壓轉換器可用來在很小的PCB空間內建立典型的升壓單端初級電感轉換器 (SEPIC) 或返馳DC-DC轉換器。MCP1665轉換器適用於可攜式應用的LCD偏壓電源、照相手機閃光燈、單芯鋰電池轉5V、12V或24V轉換器、手電筒和照明應用。

產品特色
  • 36V、100mΩ整合式開關
  • 效率最高92%
  • 輸出電壓範圍最高32V
  • 2.9V至5V輸入電壓範圍
  • 1.2VFB反饋電壓參考
  • 湧浪電流限制和內建軟啟動
  • 逐週期電流限制
  • 內建補償
  • 恆定電流組態的輸出過電壓保護 (OVP) 和開路負載保護 (OLP)
  • 過熱關機
  • 可輕鬆針對單端初級電感轉換器 (SEPIC) 或返馳拓撲進行設定
應用
  • 使用三芯鹼性電池、鋰電池和鎳氫電池/鎳鎘電池的可攜式產品
  • 單芯鋰電池轉5V、12V或24V轉換器
  • 可攜式應用的LCD偏壓電源
  • 照相手機閃光燈
  • 手電筒
  • 電池供電LED
  • 照明應用
  • 可攜式醫療設備
  • 手持式儀器
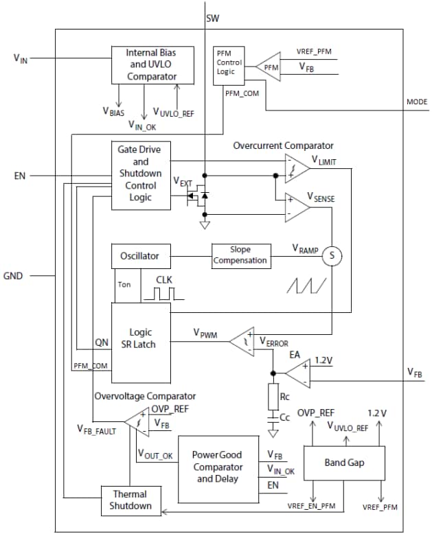
MCP1665方塊圖
Microchip MCP1665 PFM/PWM Step-up Converter Block Diagram

eNews
  • Microchip Technology
發佈日期: 2017-12-15 | 更新日期: 2022-04-11