Microchip Technology MCP1641x低IQ升壓轉換器
Microchip Technology MCP1641x低IQ升壓轉換器提供自動輸入至輸出電壓旁通操作。此功能可改善電池利用率,實現高效率,令新電池的名義電壓與轉換器的輸出值範圍相同。Microchip MCP1641x 低IQ升壓轉換器可透過單節、雙節鹼性/NiMH電池或單節鋰離子/鋰聚合物電池供電。低電壓架構設計允許穩壓器從低輸入電壓啟動時無需高浪湧電流或輸出電壓過沖。啟動電壓可透過連接至UVLO引腳的電阻分壓器輕鬆編程。若未使用電阻分壓器,預設啟動電壓為0.85V。0.8V內建UVLOSTOP有助於防止鹼性電池深度放電,可能導致電池洩漏。開漏低電池輸出 (LBO) 引腳會警告使用者如果輸入電壓制動至已編程的UVLOSTART值時,需要更換電池。MCP1641x系列為低電壓升壓轉換器引入額外的安全功能:過熱輸出。多種應用將受益於組合電源良好和鑄模過熱 (PGT) 輸出,當輸出電壓水平下降10%或鑄件溫度超過75°C時,該輸出會標記警告訊號。兩種功能均在MCP16411/2/3/4裝置(同一引腳PGT上)內實施,而MCP16415/6/7/8裝置則擁有出色的電源選擇。
特點
- 0.8V(啟動後)至5.25V輸入電壓範圍
- 低裝置靜態電流
- 5µA典型PFM模式(未切換)
- 效率高達96%
- 1A典型電感器峰值電流限制
- I輸出 > 170mA(2V VOUT,1.2V VIN時)
- I輸出 > 200mA(3.3V VOUT,1.5V VIN時)
- I輸出 > 600mA(5.0V VOUT,3.6V VIN時)
- 可調節輸出電壓範圍
- 自動輸入至輸出旁路操作
- 可選開關模式
- 500kHz PWM操作 (MCP16412/4/6/8)
- 自動 PFM/PWM操作 (MCP16411/3/5/7)
- 可編程電壓過低鎖定 (UVLO)
- 可編程低電力輸出 (LBO)
- 可選狀態指示燈
- 電源良好及過熱輸出 (MCP16411/2/3/4)
- 電源良好輸出 (MCP16415/6/7/8)
- 內部同步整流器
- 內部補償
- 浪湧電流限制及內部軟啟動
- 低雜訊、抗振鈴控制
- 熱關機
- 可選關機狀態
- 輸出放電選項 (MCP16411/2/5/6)
- 輸入至輸出旁通選項 (MCP16413/4/7/8)
- 2.3µA典型關機電流
- 可用封裝
- 10引線MSOP
- 10引線3mm x 3mm TDFN
應用
- 個人及保健產品
- 單節或雙節供電的物聯網 (IoT) 裝置
- 藍牙耳機
- 遠程控制器、便擕式儀器
- 無線感應器、資料記錄器
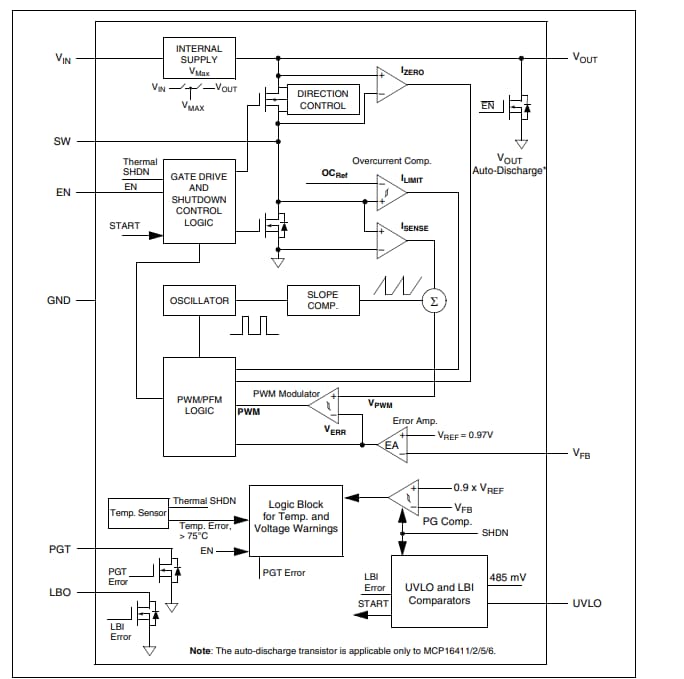
功能結構圖
發佈日期: 2020-10-29
| 更新日期: 2024-08-08
