Infineon Technologies TLF11251LD Gate Driver & MOSFET
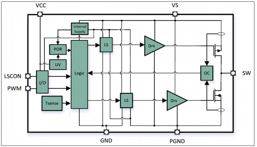
Infineon Technologies TLF11251LD Gate Driver and MOSFET is an integrated half-bridge with a high-side P-channel and a low-side N-channel MOSFET in a single package. The integrated level shifting stage allows for converting the input logic signals to the supply voltage level of the gate drivers. This level shifter and the gate driver provide a dead-time generation to simplify the interface with the embedded core voltage regulator of the MCUs. The TLF11251LD device can enable the usage of OPTIREGTM PMIC TLF35584/85 for 2.5A with high-end 2nd generation TriCorTM AURITM 32-bit MCUs TC38x/TC39x. The device integrates protection features against overcurrent at high-side MOSFETs, low-side MOSFETs, and against overtemperature events.The TLF11251LD device has a single control input with integrated dead-time logic for optimized control and high efficiency. This half-bridge with an integrated driver and the level shifter operates at a temperature range of -40°C to 150°C and a voltage range of 3.5V to 7V. It comes in a PG-TSON-10 package and is AEC-qualified. This half-bridge with an integrated driver and the level shifter is ideal for automotive applications.
Features
- Integrated PMOS and NMOS complementary output bridge with 2.5A current capability
- Integrated gate drivers
- Single control input with an integrated dead-time logic allows for optimized control and high-efficiency
- Output current sensing and limitation
- Overtemperature protection
- Low quiescent current
- No external dead-time adjustment required
- Green product (RoHS compliant)
Specifications
- -0.3V to 7V supply voltage range
- -2.5A to 2.5A continuous drain current range
- -4.4A to 4.4A pulsed drain current range
- -40°C to 150°C junction temperature range
- -55°C to 150°C storage temperature range
Applications
- Functional safety-relevant applications
- Powertrain (e.g. EMS)
- Electrical drive train (e.g inverter)
- Safety (e.g. sensor fusion)
- Chassis (e.g. domain control)
- Body (e.g. gateway)
- Enables efficient core supply for high-end 2nd generation TriCore™ AURIX™ 32-bit microcontrollers (TC38x/TC39x) with OPTIREG™ PMIC TLF35584/85
Block Diagram
Application Block Diagram
Additional Resource
Application Brochure
發佈日期: 2020-10-20
| 更新日期: 2024-12-06
