Infineon Technologies TLD5098EP_B2G Evaluation Board
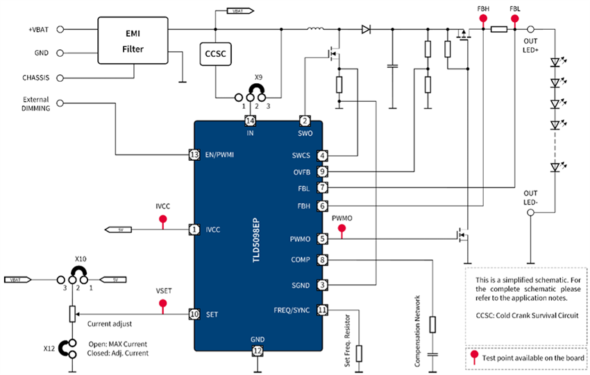
Infineon Technologies TLD5098EP_B2G Evaluation Board is an AEC-qualified evaluation board in a boost-to-ground topology designed as an LED driver. The board delivers up to 13W with efficiency above 91%. When enabled by jumpers, the board is equipped with an output current adjustment trimmer, power derating circuitry, and a Cold Crank Survival Circuit (CCSC).Features
- Output current adjustment trimmer
- Power derating circuitry
- Cold crank survival circuit
- Delivers up to 13W with efficiency above 91%
- 350mA maximum output current
- 33V to 47.4V output voltage range
- 8V to 27V supply voltage range
- AEC-qualified
- RoHS compliant
Applications
- Lighting
- Automotive daytime running light
Simplified Schematic
Default Configuration
Current Adjustment
Power Derating
Cold Crank Survival Circuit
發佈日期: 2025-01-31
| 更新日期: 2025-02-13
