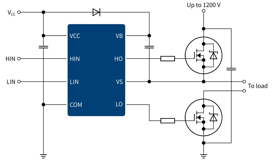
Infineon Technologies High & Low Side Drivers
Infineon Technologies High and Low Side Drivers are designed to control MOSFETs and IGBTs and include two non-interlocked channels. The selection features the 650V high and low side silicon on insulator (SOI) gate driver ICs with high (2.5A) and low current (0.7A) options. The Infineon High and Low Side Drivers feature excellent ruggedness and noise immunity, ideal for motor drives, home appliances, SMPS, battery-powered applications, and high-power lighting.Features
- Noise immunity
- Excellent ruggedness
Applications
- Motor drives
- Home appliance
- SMPS
- Battery powered applications
- High power lighting
Block Diagram
Videos
發佈日期: 2023-07-10
| 更新日期: 2023-07-27
