e-peas AEM20941 Energy Harvesting PMIC
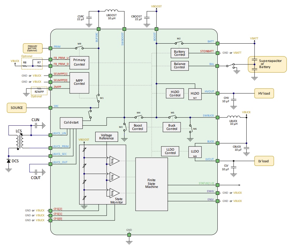
e-peas AEM20941 Energy Harvesting PMIC extracts DC power from a TEG to store energy in a rechargeable element while supplying two regulated voltages to the system. This PMIC harvests up to 110mA of input current and regulates the source voltage according to user configuration. The AEM20941 PMIC features an ultra‑low‑power boost converter that charges Li‑ion, thin‑film batteries, supercapacitors, or capacitors from input voltages between 80mV and 3.5V. This PMIC comes with a cold‑start circuit that enables operation from empty storage elements at 380mV and 40µW, or from 80mV using the optional module. The low‑voltage supply powers microcontrollers at 1.2V or 1.8V, while its high‑voltage supply powers radios at 1.8V, 2.5V, or 3.3V. The AEM20941 PMIC outputs use efficient LDO regulators to provide low noise and high stability for sensitive circuitry. This PMIC integrates all active power‑management functions for wireless sensors using only five capacitors and two inductors. Typical applications include smart homes, industrial sensors, smart buildings, retail, edge IoT, and PC accessories.
Features
- Maximum power point tracking:
- Open-circuit voltage sensing for MPPT every 21s
- Selectable MPPT ratio to 50%, 55% or 75%
- Harvesting input voltage range from 80mV to 3.5V
- Constant impedance matching (ZMPPT)
- Ultra-low power start-up:
- Cold start from 80mV input voltage and 650µA input current (typical) using the cold-start module
- Integrated low-voltage LDO regulator:
- Up to 20mA load current
- Output voltage selectable at 1.2V or 1.8V
- Dynamically power-gated by external control
- Integrated low-voltage LDO regulator:
- Up to 20mA load current
- Output voltage selectable at 1.2V or 1.8V
- Dynamically power-gated by external control
- Integrated high-voltage LDO regulator:
- Up to 80mA load current with 300mV drop-out
- Output voltage selectable at 1.8V, 2.5V, or 3.3V
- Dynamically power-gated by external control
- Flexible energy storage management:
- Selectable overcharge and over-discharge protection for various types of rechargeable storage elements
- Fast supercapacitor charging
- Status signal when the storage element is running low
- Status signal when LDO outputs are available
- Flexible energy storage management:
- Selectable overcharge and over-discharge protection for various types of rechargeable storage elements
- Fast supercapacitor charging
- Status signal when the storage element is running low
- Status signal when LDO outputs are available
- Start-up from storage element:
- Possibility to start up from the storage element
- Integrated storage element balancing circuit for dual-cell supercapacitor
Applications
- Smart home
- Industrial sensor
- Smart building
- Retail
- Edge IoT
- PC accessories
Block Diagram
Typical Application Circuit
