Diodes Incorporated DMT47M2LDVQ Dual N-Channel Enhancement-Mode MOSFET
Diodes Inc. DMT47M2LDVQ Dual N-Channel Enhancement-Mode MOSFET is a 40V MOSFET with a low RDS(ON) that minimizes on-state losses. The device offers low input capacitance and fast switching speed. Diodes Inc. DMT47M2LDVQ MOSFET is designed to meet the stringent requirements of automotive applications. It is qualified for AEC-Q101 and is supported by a PPAP.Features
- 100% unclamped inductive switching, test in production – ensures more reliable and robust end application
- High conversion efficiency
- Low RDS(ON) – minimizes on-state losses
- Low input capacitance
- Fast switching speed
Specifications
- PowerDI® 3333-8 case
- Molded plastic, “Green” molding compound (UL flammability classification Rating 94V-0) case material
- Level 1 per J-STD-020 moisture sensitivity
- Finish – matte tin annealed over copper leadframe (solderable per MIL-STD-202, Method 208) terminals
- 0.072 grams (Approximate) weight
Applications
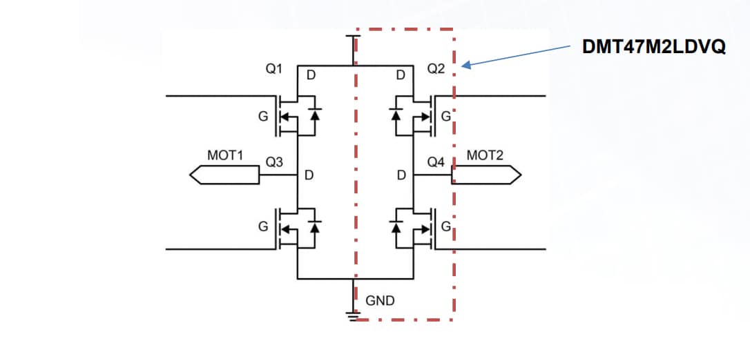
- Motor control
- Power management functions
- DC-DC converters
Datasheets
Typical Application Schematic
Equivalent Circuit
發佈日期: 2020-08-26
| 更新日期: 2024-08-14
