Diodes Incorporated AP25810LQ USB Type-C DFP Controller & Power Switch

Diodes Incorporated AP25810LQ USB Type-C DFP Controller and Power Switch is designed to monitor the USB Type-C configuration channel (CC) lines to determine when a USB device is attached. When an upstream-facing port (UFP) device is connected, the AP25810LQ applies power to the VBUS. It communicates the selectable VBUS current-sourcing capability to the UFP via the pass-through CC line. If the UFP is attached using an electronically marked cable, the AP25810LQ also applies VCONN power to the cable CC pin. Additionally, the switch identifies when USB Type-C audio or debug accessories are attached.

The Diodes Inc AP25810LQ downstream facing port (DFP) controller with an integrated 3A-rated USB power switch draws less than 0.7μA (typ.) when no device is attached. Additional system power saving is achievable in the S4 and S5 system power states by using the UFP output to disable the high-power 5V supply when no UFP is attached. In this mode, the device is capable of running from an auxiliary supply (AUX), which can be a lower-voltage supply (3.3V), typically powering the system μC in low-power states (S4 and S5).

The AP25810LQ 30mΩ power switch has two selectable fixed-current limits that align with the Type-C current levels. The FAULT output signals when the switch is in an overcurrent or overtemperature condition. The LD_DET output controls power management to multiple high-current Type-C ports in an environment where all ports do not simultaneously deliver a high current (3A).

The AP25810LQ is housed in a standard Green W-QFN3040-20 (Type A1) package with exposed PAD for improved thermal performance and is RoHS-compliant.

Features

  • USB Type-C Rev. 2.0 compliant DFP controller
  • Connector attach or detach detection
  • STD, 1.5A, or 3A Capability advertisement on CC
  • Super-speed polarity determination
  • VBUS Application and discharge
  • VCONN Application to electronically marked cable
  • Audio and debug accessory identification
  • 0.7μA (Typ.) IDDQ When the port is unattached
  • Three input supply options
    • IN1: USB Charging supply
    • IN2: VCONN Supply
    • AUX: Device power supply
  • Power wake supports low power in system hibernate (S4) and OFF (S5) power states
  • 30mΩ (Typ) High-side MOSFET
  • Programmable 1.7A or 3.4A ILIM (±7.1%)
  • Port power management enables power resource optimization across multiple ports
  • Transient protection for CC1/CC2 lines:
    • IEC 61000-4-2 Contact discharge ±8kV
    • IEC 61000-4-2 Air Gap discharge ±15kV
  • Thermally efficient low-profile package
  • Totally lead-free and fully RoHS compliant
  • Halogen and antimony-free “Green” device
  • The AP25810LQ is suitable for automotive applications requiring specific change control; this part is AEC-Q100 qualified, PPAP capable, and manufactured in IATF 16949 certified facilities

Applications

  • USB Type-C host ports in notebook computers for sleep charging
  • LCD monitor/docking stations and charging cradles
  • USB Type-C wall chargers

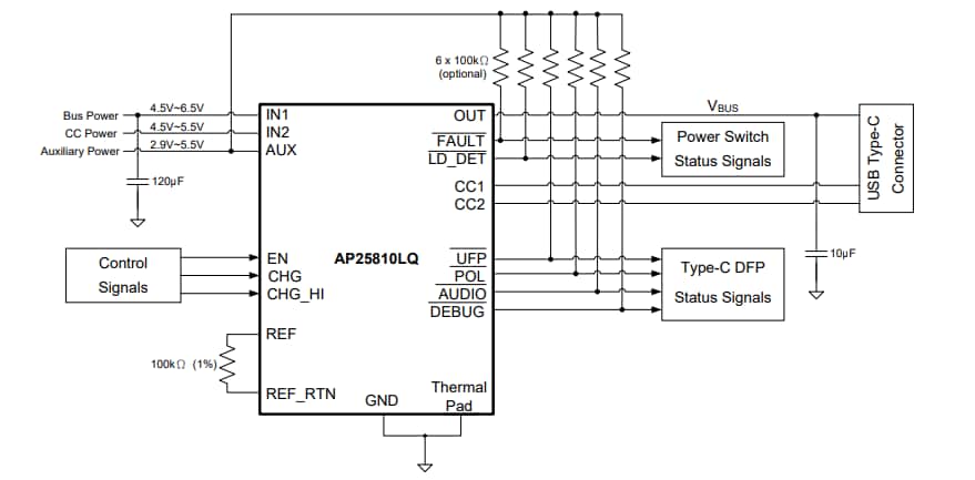
Typical Applications Circuit

Application Circuit Diagram - Diodes Incorporated AP25810LQ USB Type-C DFP Controller & Power Switch

Pin Assignments

Diodes Incorporated AP25810LQ USB Type-C DFP Controller & Power Switch

Block Diagram

Block Diagram - Diodes Incorporated AP25810LQ USB Type-C DFP Controller & Power Switch
發佈日期: 2022-10-17 | 更新日期: 2024-03-06