CTS Electronic Components CA AEC-Q200 HCMOS Clock Oscillators

CTS Electronic Components CA AEC-Q200 HCMOS Clock Oscillators are AEC-Q200 compliant clock oscillators designed for use in automotive electronics operating over extended temperature ranges (-55°C to +105°C). CTS Electronic Components CA Clock Oscillators have an HCMOS/TTL compatible output and offer excellent stability (25ppm, 30ppm, 50ppm, 100ppm, or 150ppm) and low jitter/phase noise performance (less than 1ps).

Features

  • AEC-Q200 compliant
  • Ceramic surface mount package
  • -55°C to +105°C operating temperature range
  • Fundamental and third overtone crystal designs
  • +1.8V, +2.5V, and +3.3V operation
  • Frequency Range
    • 1.25MHz to 100MHz (CA20)
    • 1.25MHz to 156.25MHz (CA25, CA32)
  • Output enable standard

Applications

  • Automotive electronics
  • Mobile multimedia/infotainment
  • Audio/video systems
  • Wireless communication
  • Medical electronics
  • Commercial military and aerospace

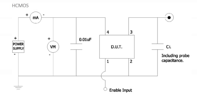
Test Circuit

Schematic - CTS Electronic Components CA AEC-Q200 HCMOS Clock Oscillators
發佈日期: 2019-04-05 | 更新日期: 2023-05-18