Cosel FETA AC-DC Switching Power Supplies
Cosel FETA AC-DC Switching Power Supplies are high-efficiency enclosed power supplies. These switching power supplies feature high power density, low profile (meets 1U height), high output voltage, and remote ON/OFF. The FETA switching power supplies offer Over-Current Protection (OCP), Over-Temperature Protection (OTP), power factor correction, inrush current limiting, and parallel operation functions. These power supplies comply with RoHS, UL62368-1, C-UL(CSA62368-1), EN62368-1, low voltage directive, and electrical equipment safety regulations.Features
- High power density
- Low profile (Meets 1U height)
- High output voltage (FETA3000BC-250)
- High efficiency
- Over-Current Protection (OCP)
- Over-Temperature Protection (OTP)
- High-speed response (FETA3000BC)
- Harmonic attenuator (FETA3000BA)
- Power factor correction
- Inrush current limitation
- Parallel/parallel redundancy operation
- Alarm signals
- Remote ON/OFF
- 102mm x 41mm x 340mm case size
- Comply with IEC61000-3-2 Class A
- Comply with RoHS, UL62368-1, C-UL(CSA62368-1), and EN62368-1
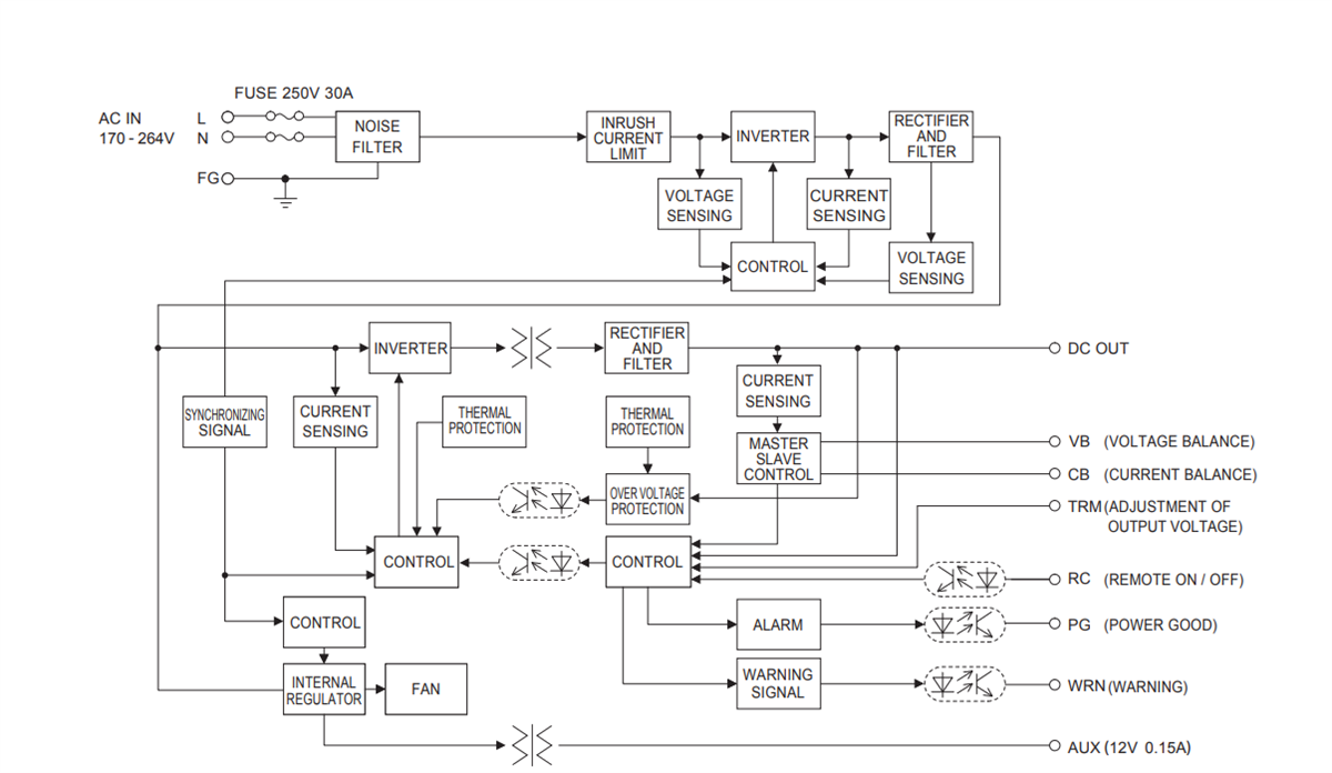
FETA3000BA Block Diagram
FETA3000BC Block Diagram
Datasheets
View Results ( 11 ) Page
| 零件編號 | 規格書 | 輸出電壓-通道1 | 輸出功率 | 輸出電流-通道1 | 輸入電壓 | 輸出數 | 最高工作溫度 | 輸入頻率 |
|---|---|---|---|---|---|---|---|---|
| FETA3000BA-48 | ![]() |
48 VDC | 2.976 kW | 62 A | 170 VAC to 264 VAC | 1 Output | + 70 C | 50 Hz/60 Hz |
| FETA3000BC-250 | ![]() |
250 VDC | 3 kW | 12 A | 170 VAC to 264 VAC | 1 Output | + 70 C | 47 Hz to 63 Hz |
| FETA3000BC-250-R | ![]() |
250 VDC | 3 kW | 12 A | 170 VAC to 264 VAC | 1 Output | + 70 C | 47 Hz to 63 Hz |
| FETA3000BA-48-R | ![]() |
250 VDC | 3 kW | 62 A | 170 VAC to 264 VAC | 1 Output | + 70 C | 47 Hz to 63 Hz |
| FETA7000ST-48 | ![]() |
48 VDC | 7.113 kW | 148.2 A | 300 VAC to 480 VAC | 1 Output | + 60 C | 47 Hz to 63 Hz |
| FETA7000ST-144 | ![]() |
144 VDC | 7.488 kW | 52 A | 300 VAC to 480 VAC | 1 Output | + 60 C | 47 Hz to 63 Hz |
| FETA2500BA-36 | ![]() |
36 VDC | 1.98 kW | 55 A | 170 VAC to 264 VAC | 1 Output | + 70 C | 47 Hz to 63 Hz |
| FETA3000BC-250-D | ![]() |
250 VDC | 3 kW | 12 A | 170 VAC to 264 VAC | 1 Output | + 70 C | 47 Hz to 63 Hz |
| FETA2500BA-48 | ![]() |
48 VDC | 2.496 kW | 52 A | 170 VAC to 264 VAC | 1 Output | + 70 C | 47 Hz to 63 Hz |
| FETA7000T-144 | ![]() |
144 VDC | 7.488 kW | 52 A | 170 VAC to 264 VAC | 1 Output | + 60 C | 47 Hz to 63 Hz |
發佈日期: 2023-08-04
| 更新日期: 2023-08-17

