Comchip Technology BAW56-HF & BAV70/99-HF Switching Diodes
Comchip Technology BAW56-HF and BAV70/99-HF Switching Diodes are fast-switching devices with high reliability and stability. The BAW56-HF and BAV70/99-HF diodes feature power dissipation of 225mW, 70V reverse voltage and low reverse leakage. The BAW56-HF and BAV70/99-HF switching diodes operate at 150°C temperature. The BAW56-HF and BAV70/99-HF switching diodes come with SOT-23 with a molded plastic case.Features
- Fast switching device (Trr < 6.0ns)
- Power dissipation of 225mW
- High stability and high reliability
- Low reverse leakage
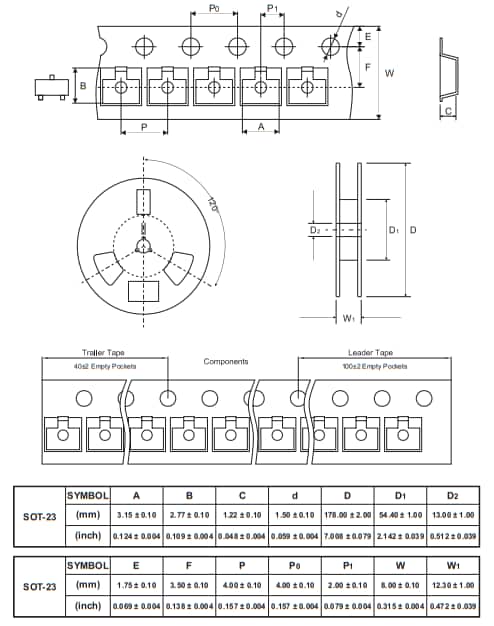
- SOT-23, molded plastic case
- RoHS and halogen-free device
Specifications
- 70V reverse voltage
- 200mA average rectified current
- 400mA non-repetitive peak forward current
- 150°C operating junction temperature
- -65°C to 150°C storage temperature range
發佈日期: 2020-06-08
| 更新日期: 2024-05-15
