Broadcom AFBR-S10RX0x1Z Receivers
Broadcom AFBR-S10RX0x1Z Receivers provide the ability to implement an optical arc flash sensor over 1mm plastic optical fiber (POF). These receivers utilize ASIC with an integrated photodiode (PD) and trans-impedance amplifier (TIA) into a single IC. The series features a compact versatile link connector system, high EMI robustness, fast slew rate, compact footprint, and temperature-compensated output voltage. Broadcom AFBR-S10RX0x1Z Receivers operate in a -40°C to +85°C temperature range and are ideally suited for arc flash detection applications.Features
- Receivers consisting of a PD and a TIA integrated into a single IC
- Ideal for arc flash detection
- High EMI robustness
- Temperature-compensated output voltage
- Fast slew rate
- Compact footprint
- Versatile link connector system
- -40°C to +85°C operating temperature range
- RoHS compliant
Block Diagram
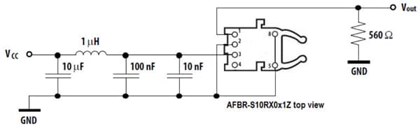
Recommended Application Circuit
發佈日期: 2019-02-26
| 更新日期: 2023-07-03
