Broadcom ACPL-M417T光耦合器
Broadcom ACPL-M417T光耦合器是具備電晶體輸出的單通道、低速、高增益汽車光耦合器。這些光耦合器專為低功耗作業所設計,LED作業驅動電流低至0.3 mA,適用於低速訊號傳輸。集極暗電流低,未使用時不消耗任何電流。ACPL-M417T光耦合器符合AEC-Q101標準,採用尺寸小巧、可表面黏著的SO4封裝,極省空間。這些光耦合器在輸入和輸出通道之間提供4 kVRMS的隔離電壓。ACPL-M417T光耦合器具備更為強化的絕緣性和可靠性,有利於在汽車和高溫工業應用中提供安全的訊號隔離。這些光耦合器是電動車 (EV) 傳動系統、DC-DC轉換器、EV/PHEV充電器、HVAC和故障回報模組的理想選擇。特點
- 單通道、低速的光耦合器
- 符合AEC-Q101標準汽車溫度範圍:-40°C至125°C
- 規格適用完整溫度範圍
- 集極射極崩潰電壓BVCEO(最小值):80V
- 低驅動電流 (IF):0.3 mA
- 緊密的CTR範圍
- SO4封裝,5 mm爬電和間隙距離
- 法規認證:
- 4kVRMS 隔離可持續1分鐘(符合UL1577標準)
- 通過CSA認證
- IEC/EN 60747-5-5 VIORM = 567VPEAK
應用
- 電動車 (EV) 傳動系統
- DC-DC轉換器
- EV/PHEV充電器
- HVAC
- 故障回報模組
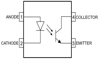
功能方塊圖
封裝外形圖
發佈日期: 2024-03-11
| 更新日期: 2024-03-22
