Bourns PER21 Long-Life Incremental Ring Encoder
Bourns PER21 Long-Life Incremental Ring Encoder offers a 21mm package diameter with 10mA at 5VDC contact rating and 2-bit quadrature code output. The PER21 provides haptic detent feedback, a through-hole mounting style, and a high-class rotational feel. Bourns PER21 Long-Life Incremental Ring Encoder operates in a temperature range of -10°C to +60°C. Typical applications include professional audio equipment, low- to medium-risk medical and diagnostic equipment, consumer white goods, and industrial automation controls.Features
- Low-profile incremental encoder
- High-class rotational feel
- Through-hole mounting style
- Haptic detent feedback
- RoHS compliant
Applications
- Professional audio equipment
- Professional lighting consoles
- Consumer white goods
- Low- to medium-risk medical and diagnostic equipment
- Test and measurement equipment
- Communications equipment
- Laboratory equipment
- Industrial automation controls
Specifications
- 50,000 rotational cycle rating
- 60RPM maximum rotational speed
- 10mA at 5VDC contact rating
- 2-bit quadrature code output
- -10°C to +60°C operating temperature range
- -40°C to +85°C storage temperature range
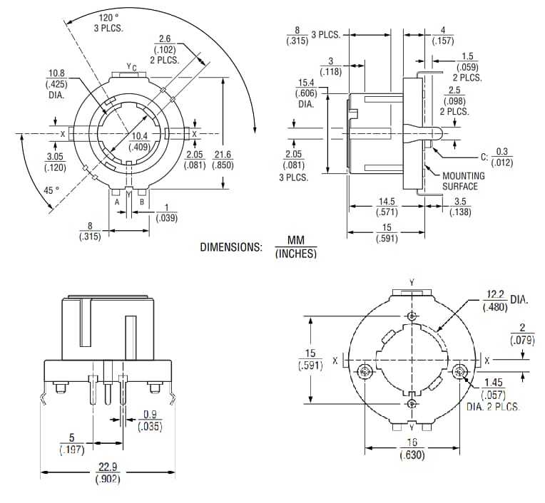
Mechanical Drawing
發佈日期: 2021-07-29
| 更新日期: 2022-03-11
