Bourns HCT AEC-Q200相容型功率變壓器
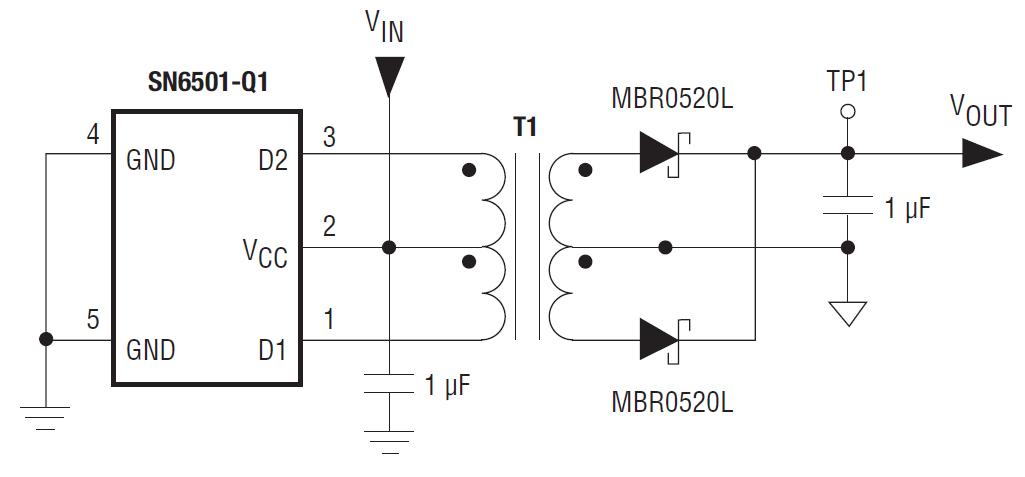
Bourns HCT AEC-Q200相容型功率變壓器是一種高電氣間隙及爬電距離隔離功率變壓器,採用鐵氧體環形磁芯製造,以實現高耦合因數及效率。這些變壓器具有強化隔離、8mm最小電氣間隙/爬電距離及5kV耐電壓,可提供免受高電壓危險的更高程度隔離。Bourns HCT AEC-Q200相容型功率變壓器專為使用Texas Instruments SN6501和SN6505B變壓器驅動器的隔離電源而設計。該系列符合IEC 60950-1、IEC 62368-1、IEC 60664-1及汽車AEC-Q200標準。
特點
- 內建環形磁芯,具有高耦合和低輻射
- 符合IEC 60950-1、IEC 62368-1和IEC 60664-1標準
- 符合AEC-Q200標準
- 符合RoHS標準
- 強化隔離能力,作業電壓達800V
- 專為採用TI SN6501和SN6505B的隔離電源供應器所設計
應用
- 汽車電池管理系統 (BMS)
- 汽車閘極驅動器
- RS485
規格
- 3.3V至5V輸入電壓
- 3.3V至15V額定電壓
- 350 mA AC額定電流
- 250µH至350 µH最小初級電感(100 kHz時)
- 0.6 µH至1.8 µH漏電感(100 kHz時)
- -40°C至+125°C作業溫度範圍
相關產品
Push-pull driver for small transformers.
Designed to drive a low-profile, center-tapped transformer from a 2.25V to 5V DC power supply.
Related Solutions
Transformers, chokes, resistors, and other products designed for systems used in electrification.
Features a broad range of reliable products and components ideal for electric vehicle applications.
Used for external or internal, forward or flyback SMPS subject to regulatory requirements.
發佈日期: 2020-01-21
| 更新日期: 2024-05-17