Bel Power Solutions SPSPFE3-07 Power Shelf
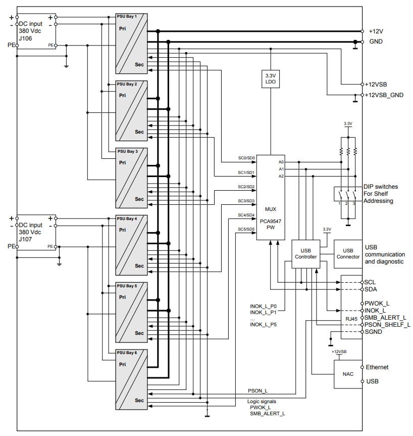
Bel Power Solutions SPSPFE3-07 Power Shelf provides rectification, system management, and power distribution with high-reliability and flexibility for the future expansion. This power shelf is configured with up to six hot-swap capable PFE3000-12-069RA AC/DC-DC power supplies that convert high-voltage DC bus power into 12VDC main output. This configuration helps in powering Intermediate Bus Architectures (IBA) in high-performance and reliable servers, routers, and network switches. The SPSPFE3-07 power shelf from Bel Power Solutions features two separate DC inputs, one DC inlet power, and three power modules. This module supports I2C communication interface for control, programming, and monitoring with PMBus® protocol. Typical applications include high-performance servers, routers, and switches.Features
- 2 separate DC inputs, 1 DC inlet power, and 3 power modules
- Hot-swap capable modules
- Supports I2C communication interface for control, programming, and monitoring with PMBus protocol
- Overtemperature protection
- Output overvoltage protection
- Output overcurrent protection
- RoHS compliant
- Available for OCP V2 bus-bar style connection
Applications
- High-performance servers
- Routers
- Switches
SPSPFE3-07 Block Diagram
SPSPFE3-07 Mechanical Drawing
發佈日期: 2018-09-11
| 更新日期: 2022-09-02
