Analog Devices / Maxim Integrated TMC6140-LA 3-Phase BLDC MOSFET Gate Driver
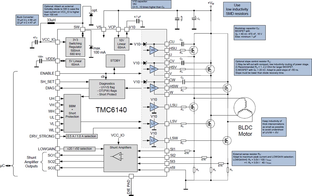
Analog Devices / Maxim Integrated TMC6140 3-Phase BLDC MOSFET Gate Driver is optimized for Permanent Magnet Synchronous Motors (PMSM) and Brushless DC (BLDC) motors. Ideally suited for applications in the range of 5V to 24V, the TMC6140 supports motor power ratings from 1W to 1kW. The device is designed to work with a single external power supply rail. All required supply voltages are generated internally based on the motor supply. The TMC6140 generates a fixed 3.3V rail voltage with a switching regulator (buck converter). An internal Schottky diode generates enough power for the IOs and an external microcontroller. This diode is operational up to 100mA load. In case more current has to be served, an external diode has to be mounted in parallel.
The ADI TMC6140-LA 3-Phase MOSFET Gate Driver is available in a compact 5.0mm x 6.0mm Quad-Flat No-Lead (QFN) package.
Features
- Supports 3-phase motors up to 100A coil current (external MOSFETs)
- 5V to 30V DC voltage range
- 0.5A or 1.0A gate drive
- 3V3 switching regulator (0.5A) with internal Schottky diode (up to 100mA)
- Charge pump pin to utilize buck converter for step-up converter
- 3 bottom shunt amplifiers
- Analog programmable short detect
- 2 low power modes with 0.25mA standby current consumption
- Diagnostics output via UART-TxD
- 5.0mm x 6.0mm QFN36 package; 0.5mm pitch
Applications
- Industrial drives
- Power tools
- Robotics
- Textile machines
- Factory automation
- Laboratory automation
- Pumps
- Fans
- Battery operated devices
Block Diagram
Typical Application Circuit
Package Outline
