Analog Devices / Maxim Integrated MAX33076E高速四通道RS-422/RS-485接收器
Maxim Integrated MAX33076E高速四通道RS-422/RS-485接收器能為嚴峻的電氣環境提供高CMR(共模範圍)、高故障保護和高ESD。裝置運作的電源供應範圍為+3.3V或+5.0V。當兩個節點之間的接地平面有著較大差異或有來自馬達或其他電噪音來源的較大外部干擾時,±25V的高CMR將有助於接收訊息。MAX33076E提供±65V的擴充故障保護,可保護資料線路,避免因本地電源意外短路而故障。此外,±25 kV的高ESD HBM(人體放電模式)可保護資料線路在生產期間或於現場時免受ESD衝擊。Maxim Integrated MAX33076E高速四通道RS-422/RS-485接收器具有完整安全失效電路,當所有驅動器停用,接收器輸出在開路、短路或連接到端接傳輸線路時將處於高側狀態。
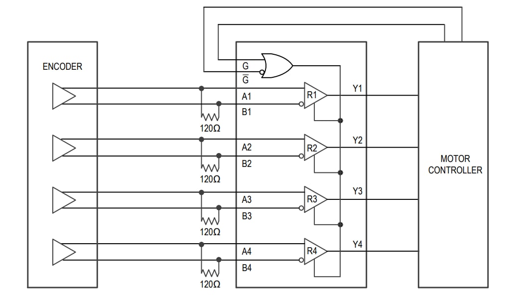
MAX33076E上的G和Ḡ腳位分別設為主動高側和主動低側,並啟用或停用輸出。這些裝置與MAX3095-96接收器腳位相容。
MAX33076E以16腳位SOIC或QSOP封裝提供,可在-40°C至+125°C的溫度範圍下作業。
特點
- 整合保護,提高耐用性
- ±65V容錯四接收器線路
- ±25kV ESD HBM
- ±25V共模範圍
- 完整失效安全接收器,可防止接收器輸入短路或開路事件時轉為錯誤
- 作業溫度範圍:-40°C至+125°C
- 符合業界標準,易於升級
- 16腳位SOIC和QSOP封裝
- 與產業標準的MAX3095-96接收器相容的腳位配置
- +3.3V或+5.0V供應電壓
- 20 Mbps或35 Mbps的資料傳輸速率選項
應用
- 馬達控制器
- 電信設備
- 電網設備
- CNC機具
- 雷射模組
方塊圖
典型應用電路
發佈日期: 2022-03-29
| 更新日期: 2025-09-18
