Analog Devices Inc. MAX25206/MAX25207/MAX25208 Automotive Controllers
Analog Devices Inc. MAX25206/MAX25207/MAX25208 Versatile Automotive Buck Controllers are 2.2MHz synchronous step-down controllers with 7μA IQ. The devices operate with an input voltage supply from 3.5V to 60V. The devices operate in drop-out conditions at a 99% (typical) duty cycle. These controllers are intended for applications with mid- to high-power requirements. This includes applications that operate at a wide input voltage range during automotive cold-crank or engine stop-start conditions. The MAX25207 has an optional bypass mode, allowing a 100% high-side switch until a step-down function is needed during automotive transients.Features
- Meets stringent automotive OEM module power consumption and performance specifications
- 7µA quiescent current in skip mode
- Fixed 5.0V/3.3V or adjustable 0.7V to 20V output
- ±1.5% output-voltage accuracy for 5V fixed setting
- Enables crank-ready designs with a wide input supply range from 3.5V to 60V/70V
- EMI reduction features reduce interference with sensitive radio bands without sacrificing the wide input voltage range
- 50ns (typical) minimum on-time allows skip-free operation for 3.3V output from car battery at 2.2MHz
- Spread-spectrum option
- Frequency-synchronization input
- Resistor-programmable frequency between 220kHz and 2.2MHz
- Integration and thermally enhanced packages save board space and cost
- 2.2MHz step-down controller
- 180° out-of-phase SYNCOUT output for synchronization
- Current-mode controller with forced-continuous and skip modes
- Thermally enhanced 20-pin Side-Wettable (SW) 4mm x 4mm TQFN-EP package
- Protection features improve system reliability
- Supply undervoltage lockout
- Output overvoltage and undervoltage monitoring
- Overtemperature and short-circuit protection
- -40°C to +125°C Grade 1 automotive temperature range
Applications
- Infotainment systems
- 48V systems
- General purpose Point-of-Load (POL)
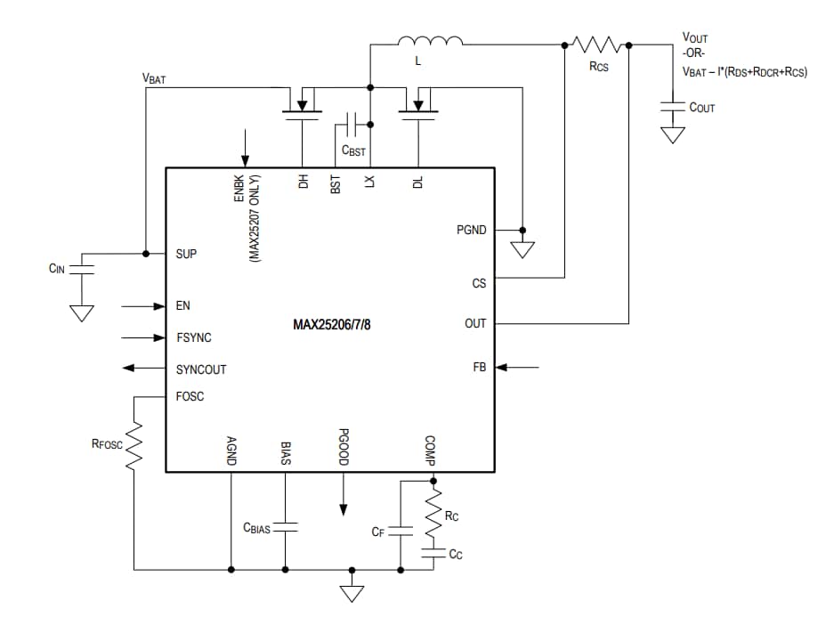
Simplified Block Diagram
發佈日期: 2020-12-23
| 更新日期: 2025-01-29
