Analog Devices / Maxim Integrated MAX22664/5 Six-Channel Digital Galvanic Isolators
Analog Devices / Maxim Integrated MAX22664/5 Six-Channel Digital Galvanic Isolators are fast, reinforced, low-power isolators designed using proprietary process technology. These isolators use 0.71mW power per channel at 1Mbps (1.8V supply ) to transfer digital signals between circuits with differential power domains. The MAX22664 isolators include four channels for digital signal transmission, two of which travel in one direction and the other two in the opposite direction. The isolators include five channels for digital signal transmission in one direction and the other in the opposite direction.Analog Devices / Maxim Integrated MAX22664/5 Six-Channel Digital Galvanic Isolators feature reinforced isolation with a 5kVRMS (for 60 seconds) withstand voltage rating, low power consumption, low propagation delay, and low jitter. These isolators comply with UL according to UL 1577 and cUL according to CAS Bulletin 5A safety regulatory approvals. Typical applications include hybrid electric vehicles (HEVs), chargers, inverters, and battery management systems (BMSs).
Features
- Reinforced galvanic isolation for digital signals
- 16 wide SOIC with 8mm creepage and clearance
- Withstand 5kVRMS for 60s (VISO)
- Withstand ±12.8kV surge between GNDA and GNDB with 1.2μs/50μs waveform
- Withstand 848VRMS (VIOWM)
- High CMTI (50kV/μs, typical)
- Low propagation delay and low jitter
- Up to 200Mbps maximum data rate
- Low propagation delay 7ns (typical) at VDD=3.3V
- Clock jitter RMS 11.1ps (typical)
- Low power consumption:
- 0.71mW per channel at 1Mbps with VDD=1.8V
- 1.34mW per channel at 1Mbps with VDD=3.3V
- 3.21mW per channel at 100Mbps with VDD=1.8V
- Safety regulatory approvals
- UL according to UL 1577
- cUL according to CSA Bulletin 5A
Applications
- HEVs
- Chargers
- Inverters
- BMSs
Videos
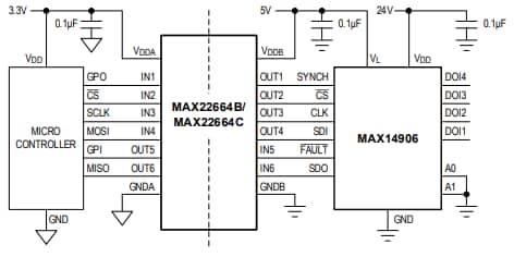
Application Diagram
發佈日期: 2023-08-09
| 更新日期: 2025-10-14
