MAX20353包含一套完整的電源管理解決方案,具有電池密封、充電器、電源路徑及電量計。該裝置內建熱管理與輸入保護功能。
MAX20353還包括一個工廠可編程按鈕控制器,其具有多個輸入,可進行定制以適應特定的產品UX要求。包含三個整合式LED電流槽,用於指示器或背光功能,同時具有自動共振追蹤功能的ERM/LRA驅動器能夠為用戶提供複雜的觸覺回饋。該裝置可透過I2C介面進行配置,支援對各種功能進行編程及讀取器件狀態,包括能夠透過整合式ADC讀取溫度及電源電壓。
該MAX20353 PMIC採用56焊球晶圓級封裝(WLP),在-40°C至+85°C擴展溫度範圍內工作。
特點
- 延長電池充電間隙間的電池使用時間
- 2個micro-IQ降壓穩壓器[每個<1µA IQ (典型值)]
- 350mA輸出
- Buck1:0.7V至2.275V(25mV步進)
- Buck2:0.7V至3.85V()50mV步進)
- Micro-IQ LV LDO/負載開關(1µA IQ(典型值))
- 輸入電壓:16.0V至2.0V
- 50mA輸出
- 5.0V至1.95V輸出、25mV步進
- Micro-IQ LDO/負載開關(1µA IQ(典型值))
- 輸入電壓:71.0V至5.5V
- 100mA輸出
- 9V至4V100mV步進
- Micro-IQ升降壓-穩壓器(1.3µA IQ(典型值))
- 250mW輸出
- 2.5V至5.0V、100mV步進
- 2個micro-IQ降壓穩壓器[每個<1µA IQ (典型值)]
- 透過高度整合最大限度地減小解決方案的尺寸
- 安全輸出LDO
- 存在CHGIN時為15mA
- 5.0V或3.0V
- 觸覺驅動器
- 具有快速啟動及儲存式樣RAM的ERM/LRA驅動器
- 自動共振追蹤(僅限LRA)
- 閉環自動制動(僅限LRA)
- 安全輸出LDO
- 易於實施鋰離子電池充電
- 寬快速電流範圍:5mA至500mA
- 智能電源選擇器
- 容限輸入:28.0V/-5.5V
- 可編程JEITA電流/電壓分佈
- 支援多種顯示選項
- Micro-IQ升壓穩壓器(2.4µA IQ(典型值))
- 300mW輸出
- 5.0V至20.0V、250mV步進
- 3通道電流槽
- 可耐受20V的電壓
- 可編程範圍:0.6mA至30mA
- Micro-IQ升壓穩壓器(2.4µA IQ(典型值))
- 優化的系統控制
- 上電/重置控制器
- 可編程按鈕控制器
- 可編程電源排序
- 工廠貨架模式
- 片上電壓監測器多工器與模數轉換器(ADC)
- 封裝資訊
- 封裝類型:WLP-56
- 封裝尺寸:3.71mm x 4.21mm、0.5mm間距
應用
- 穿戴式裝置
- 物聯網
充電器狀態圖
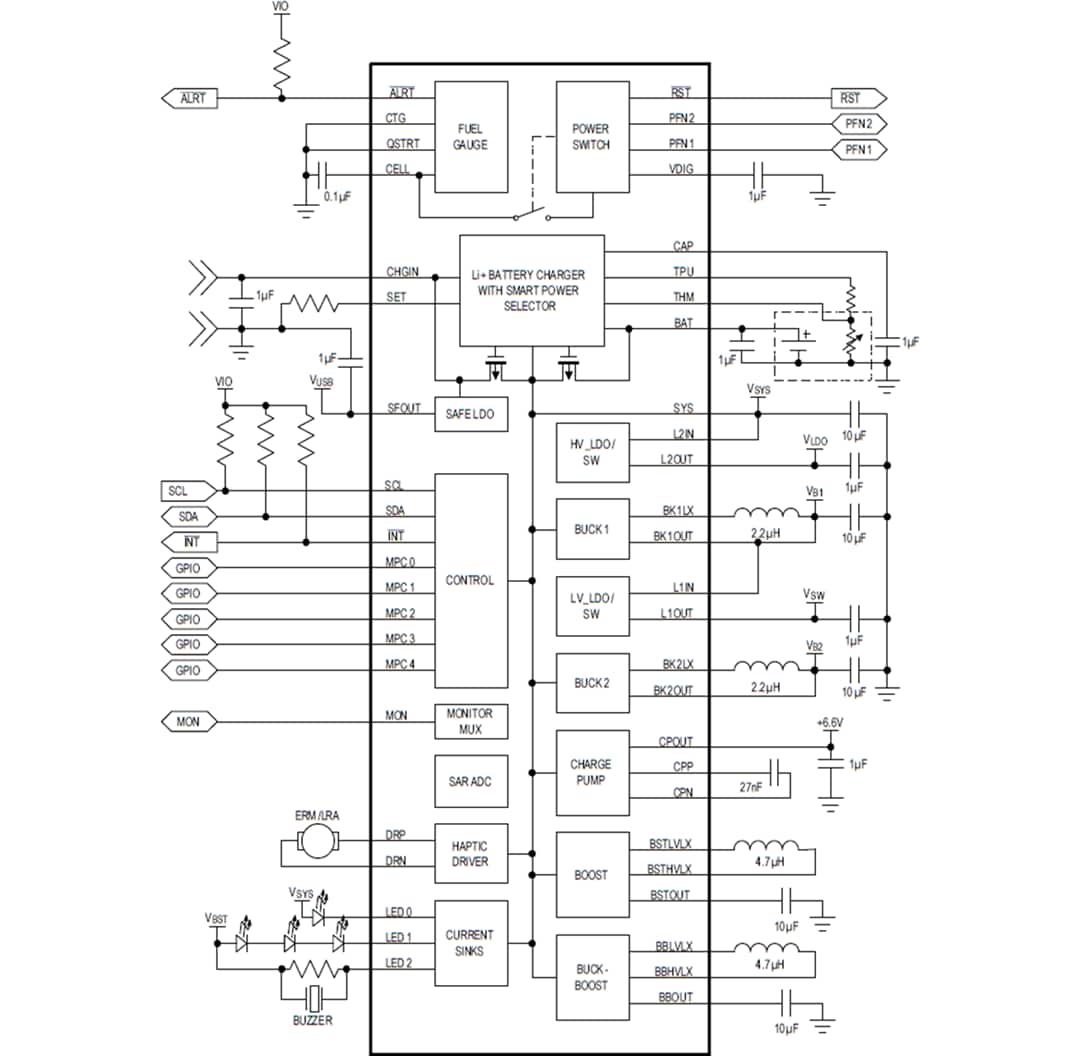
典型應用電路
發佈日期: 2020-03-10
| 更新日期: 2024-04-30

