MAX17853可利用全冗余測量引擎在263μs內測量14路電池單元電壓以及6路溫度或系統電壓測量的組合,或者利用ADC測量引擎在156μs內單獨執行全部輸入測量。其內部有14個額定電流大於300mA的均衡開關,用於電池單元均衡電流,每個開關都支援全面的內建診斷。多達32個裝置能夠以菊鏈形式連接在一起,管理448個電池單元,監測192路溫度。
在65V共模電壓範圍內可測量-2.5V至+5V的電池單元與母線電壓,典型精度為1mV(3.6V電池單元;25°C)。如啟用過度採樣,其內部可對每通道多達128個測量值計算平均值(分辨率為14位),並結合數位後處理無線脈衝響應(IIR)濾波,以此提高抗噪性。系統通過測量自身的管芯溫度,會在熱過載時自行關機。
為實現可靠通訊,MAX 17853採用Maxim電池管理UART或SPI協議,並優化用於支援更少的內部診斷功能,透過內建通訊及硬件報警介面實現快速報警通訊,以支援ASIL-D(汽車安全完整性等級D級)及FMEA(失效模式與影響分析)要求。
MAX17853採用10mm2 LQFP(超薄矮型四方扁平)封裝,操作溫度範圍為-40°C至+125°C。
特點
- 工作電壓:65V
- 超低功率運作
- 待機模式:2mA
- 關機模式:2µA
- 冗餘ADC與比較器(COMP)採集
- 同時採集電池單元及母線電壓
- 14路電池單元電壓測量通道
- 1mV精度(3.6V;25°C)
- 2mV精度(5°C至40°C)
- 4.5mV精度(-40°C至+125°C)
- 14個電池單元均衡開關
- >300mA軟件可編程均衡電流
- 經過優化的駕駛與泊車均衡模式
- 附帶獨立電池單元定時器的自動均衡
- 電池單元電壓自動均衡
- 應急放電模式
- 6路可配置輔助輸入,用於溫度、電壓或GPIO
- 整合式管芯溫度測量
- 自動熱保護
- 獨立可配置安全報警
- 過壓、欠溫故障
- 欠壓、過溫故障
- 電池單元不匹配報警
- 支援針對電池單元電壓、溫度及通訊的ASIL D要求
- 可選的UART、雙UART或SPI介面
- 電池管理UART協議
- 菊鏈形式連接多達32個裝置
- 電容式通訊埠隔離
- 高達2Mbps波特率(自動檢測)
- 1.5μs傳播延遲(每個裝置)
- 包錯誤校驗(PEC)
- 可配置型硬件報警介面
- 工廠微調振盪器
- 無需外部振蕩器
- 32位唯一裝置ID
- 封裝類型:LQFP-64
- 封裝尺寸:10mm x 10mm
應用
- 電動汽車(EV)
- 混合動力汽車(HEV)
- 電動自行車
- 電池備份系統(UPS)
- 電動工具
- 高壓電池組
- 超級電容系統
影片
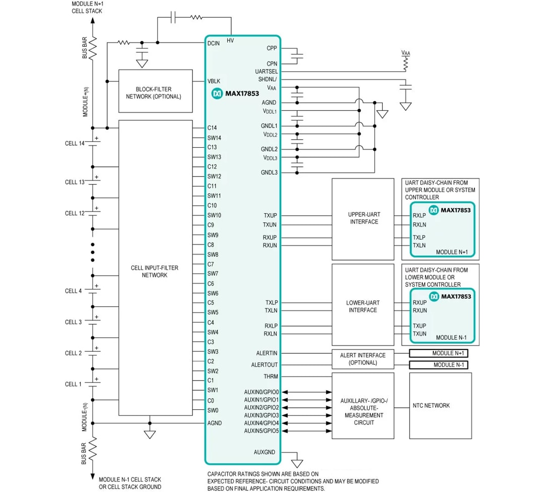
簡化型應用電路
發佈日期: 2020-03-09
| 更新日期: 2024-04-30

