Analog Devices / Maxim Integrated MAX17613系統保護IC

Maxim Integrated MAX17613系統保護IC是可調整式過電壓及過電流保護裝置,用於保護系統免受正負輸入電壓故障的影響。裝置的可調整輸入過電壓保護範圍介於5.5V至60.0V,可調整輸入欠壓保護範圍介於4.5V至59.0V。輸入過電壓鎖定 (OVLO) 和欠壓鎖定 (UVLO) 的閾值係使用外部電阻器設定。此外,裝置還提供4.2V(典型值)的內部輸入欠壓閾值。

MAX17613裝置具有高達3A的可編程電流限制保護,允許在啟動時控制湧浪電流,同時在輸出端為高電容充電。電流限制閾值是由從SETI腳位連接至GND的電阻器設定。當裝置電流達到設定的閾值時,裝置將透過調變FET電阻來防止電流繼續增加。裝置可以設定為在電流限制條件下以三種不同方式運作:自動重試、連續或閂鎖模式。SETI腳位上出現的電壓與流過裝置的瞬時電流成正比,而且可由ADC讀取。

MAX17613提供三種版本。MAX17613A具備OV、UV和反向電壓保護。MAX17613B具備OV和UV保護。MAX17613C具備反向電壓保護。三款裝置均具有過熱關機保護功能,可防止功耗過大。

Maxim Integrated MAX17613A、MAX17613B和MAX17613C均採用小巧的20腳位TQFN-EP封裝,適合-40°C至+125°的寬廣作業溫度範圍。

特點

  • 耐用保護,縮短系統停機時間
    • 寬輸入供電範圍+4.5V至+60.0V
    • 容許熱拔插,無TVS,高達35.0V輸入供電
    • 負壓輸入容許值最高-65.0V
    • 低RON 130mΩ(典型值)
    • 反向電流閉塞保護
    • 熱過載保護
    • 可程式啟動空白時間
    • -40°C至+125°C寬廣溫度範圍
    • MAX17613A具備OV、UV和反向電壓保護
    • MAX17613B具備OV和UV保護
    • MAX17613C具備反向電壓保護
  • 彈性的設計選項,可重複使用並省去重新送審的流程
    • 可調整式OVLO和UVLO閾值
    • 可程式順向電流限制:
    • 0.15A至3.0A,±3.5%準確度
    • 完整溫度範圍內皆準確
    • 可程式過電流故障回應:自動重試、連續或閂鎖模式
    • 流暢電流轉移
  • 可省下電路板空間並減少外接BOM的數量
    • 封裝類型:20腳位TQFN-EP封裝整合式FET
    • 封裝尺寸:4mm x 4mm
    • 封裝符合無鉛 (Pb)、RoHS標準

應用

  • 感測器系統
  • 狀態監控
  • 工廠感測器
  • 製程儀器
  • 秤重與批次處理系統
  • PLC、控制網路模組、電池供電模組等工業應用

MAX17613A和MAX17613B方塊圖

結構圖 - Analog Devices / Maxim Integrated MAX17613系統保護IC

MAX17613C方塊圖

結構圖 - Analog Devices / Maxim Integrated MAX17613系統保護IC

MAX17613A和MAX17613B應用電路

應用電路圖 - Analog Devices / Maxim Integrated MAX17613系統保護IC

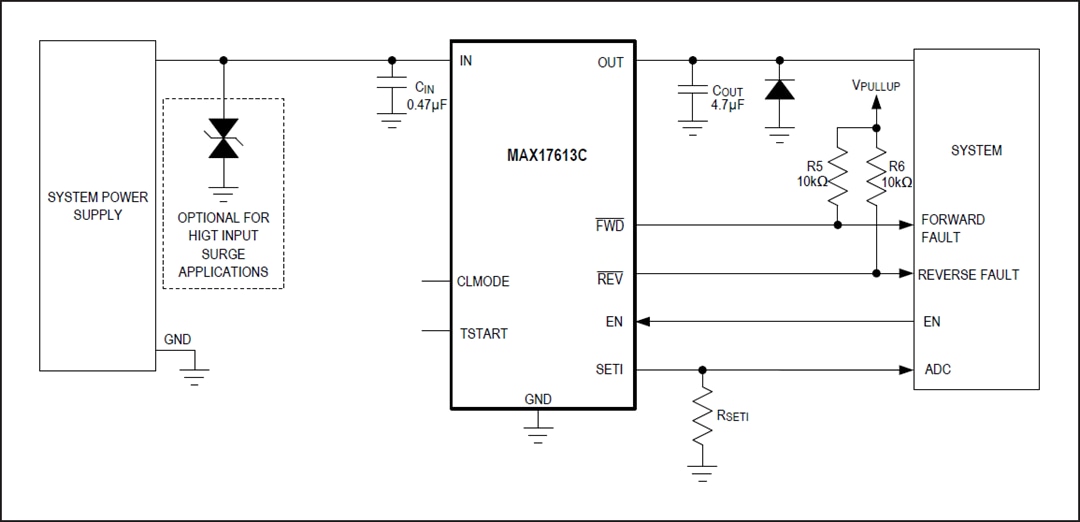
MAX17613C應用電路

Analog Devices / Maxim Integrated MAX17613系統保護IC
發佈日期: 2019-05-08 | 更新日期: 2023-04-17