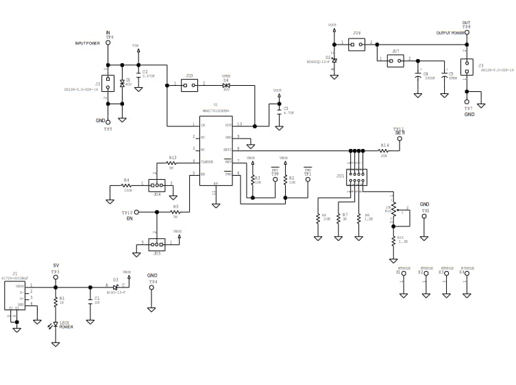
Analog Devices / Maxim Integrated MAX17612CEVKIT Evaluation Kit
Analog Devices MAX17612CEVKIT Evaluation Kit is a platform for evaluating the performance of the MAX17612C, a 4.5V to 60V current limiter with reverse protection in a 10-pin TDFN-EP package. The Analog Devices MAX17612CEVKIT features a TVS diode across the input, a Schottky diode across the output terminals, and a proven PCB layout. The device is designed to demonstrate different current-limit types and current-limit thresholds for the MAX17612C.Features
- 4.5V to 60V operating-voltage range
- Features a TVS diode across the input and Schottky diode across the output terminals
- Evaluates three current limit types and the current limit threshold
- Internal UVLO set to 4.2V
- Jumper-configurable current limit (selected as 250mA by default)
- The current limit mode is set to Autoretry by default
- Proven PCB layout
- Fully assembled and tested
Applications
- Condition monitoring
- Factory sensors
- Industrial applications such as PLC, network-control modules, battery-operated modules
- Process instrumentation
- Sensor systems
- Weighing and batching systems
Schematic
發佈日期: 2018-10-26
| 更新日期: 2023-04-24
