Analog Devices / Maxim Integrated DS1091L Spread-Spectrum EconOscillator™
Analog Devices Inc. DS1091L Spread-Spectrum EconOscillator™ is a 3V all-silicon center spread clock generator to reduce EMI in the automotive temperature range. This ADI device is factory-trimmed to output frequencies from 130kHz to 66.6MHz with a nominal accuracy of ±0.25%. ADI DS1091L EconOscillator can also produce a center- or down-dithered spread-spectrum output with pin-selectable dither magnitude and rate. The DS1091L is designed to operate with a 3V to 3.6V power supply over a temperature range of -40°C to +125°C. This ADI device is ideal for use in automotive infotainment and industrial control applications.Features
- Spread-spectrum clock output from 130kHz to 66.6MHz
- -40°C to +125°C Operating temperature range
- ±1.75% Accuracy across temperature and voltage
- Factory trimmed
- Center-dithered (DS1091LUA) or down-dithered (DS1091LUB) spread-spectrum output
- Pin-selectable center-dither magnitude of 0%, ±1%, ±2%, or ±4%
- Pin-selectable down-dither magnitude of 0%, -2%, -4%, or -8%
- Pin-selectable dither rate
- 3.0V to 3.6V Supply operation
Applications
- Automotive infotainment
- POS terminals
- LCD displays
- Printers
- Industrial control
Block Diagram
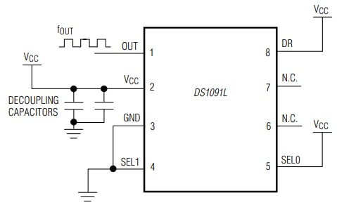
Typical Operating Circuit
發佈日期: 2012-04-10
| 更新日期: 2023-04-12
