Analog Devices HMC8100 & HCM8200 0.8GHz to 4GHz Intermediate Frequency Receivers & Transmitters

Analog Devices HMC8100與HCM8200 0.8GHz至4GHz中頻接收器與發射器

Analog Devices HMC8100與HCM82000.8GHz至4GHz中頻(IF)接收器與發射器為整合單片IC,適用於微波無線電與RF通訊應用。HMC8100與HCM8200為小型解決方案,其發射/接收功能涵蓋廣泛的頻率範圍。HMC8100與HCM8200系列產品所整合的多項功能,也含於獨立的ADI組件。這些組件包括HMC215混波器、HMC284A開關、HMC960 DVGA及HMC900濾波器。HMC8100與HCM8200可降低成本,因其無需外部開關或濾波器組,同時可簡化設計並縮短產品上市時間。

HMC8100LP6JE為IF接收器晶片,可用於轉換射頻(RF)輸入訊號。這些訊號範圍介於800-4000MHz至輸出端的單端140MHz IF訊號。

HMC8200LP5ME IF發射器晶片可將300-400MHz IF輸入訊號在輸出端轉換為800-4000MHz單端RF訊號。


8100產品特色
  • 高線性度:支援調變至1024 QAM
  • Rx IF範圍:80MHz至200MHz
  • Rx RF範圍:800MHz至4000MHz
  • Rx功率控制:80dB
  • SPI可程式帶通濾波器
  • SPI控制介面
  • 40導線、6×6mm LFCSP封裝

  • 8200產品特色
  • 高線性度:支援調變至1024 QAM
  • Tx IF範圍:200MHz至700MHz
  • Tx RF範圍:800MHz至4000MHz
  • Tx功率控制:25dB
  • SPI控制介面
  • 32導線、5×5mm LFCSP封裝
應用
  • 點對點通訊
  • 衛星通訊
  • 無線微波回程系統


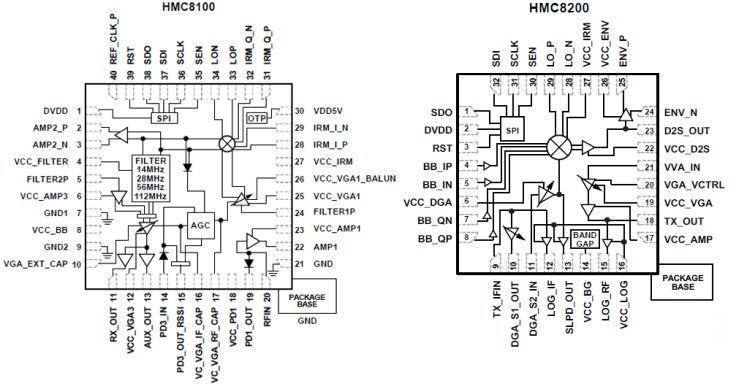
功能方塊圖
Functional Block Diagram
eNews
  • Analog Devices Inc.
發佈日期: 2016-07-12 | 更新日期: 2022-03-11