Analog Devices Inc. LTM8042 µModule Boost LED Driver & Current Source
Analog Devices LTM8042 µModule Boost LED Driver and Current Source is specifically designed to drive LEDs up to 1A. The LTM8042-1 drives up to 350mA. The device combines a boost power topology with a unique current loop to operate as a constant-current source. The PWM input provides 3000:1 LED dimming and 10:1 analog dimming by a single resistor or analog voltage applied to the CTL pin. The Analog Devices LTM8042/LTM8042-1 has an uninterrupted current path between input and output. It's intolerant to a short-circuit or overload from the output to ground.Features
- True Color PWM™ with 3000:1 dimming ratio
- Operates in boost, buck, or buck-boost mode
- Wide input voltage range
- Operation from 3V to 30V
- Transient protection to 40V
- Gate driver for optional PWM dimming with P-channel MOSFET
- 250kHz to 2MHz adjustable frequency
- Constant-current and constant-voltage regulation
- <1μA low shutdown current
- RoHS-compliant package with gold pad finish
- Tiny, low profile (9mm × 15mm × 2.82mm) surface mount LGA package
Applications
- Display backlighting
- Automotive and avionic lighting
- Illumination
- Scanners
TYPICAL APPLICATION
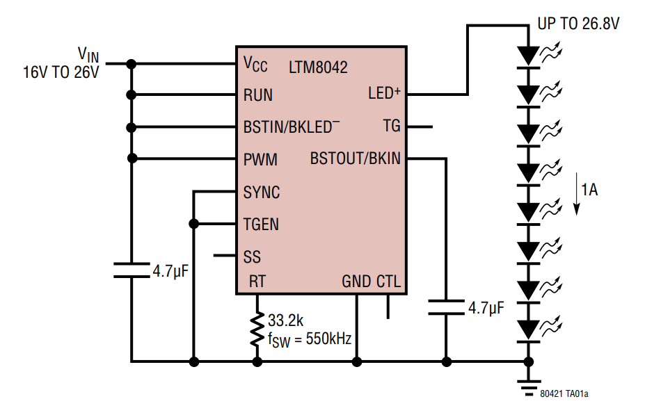
Versatile LED Driver Can Be Used with Input Voltages Above or Below the Level of the LED String
The LTM8042 is a μModule® LED driver capable of supporting LEDs with up to 1 A current and a 3000:1 dimming ratio. It operates from input voltages of 3 V to 30 V and a wide frequency range of 250 kHz to 2 MHz, enabling its use in various applications, such as scanners and automotive and avionic lighting. The LTM8042 can be easily configured in three topologies-boost, buck, and buck-boost-to meet various specific application requirements.
發佈日期: 2019-06-28
| 更新日期: 2024-04-01
