Analog Devices Inc. LTC3374/3375 8-Ch Parallelable 1A Buck DC/DCs

Analog Devices Inc. LTC3374/3375 8-Channel Parallelable 1A Buck DC/DCs are high-efficiency, highly integrated multioutput power management solutions. The LTC3374/3375 offers eight internally compensated, synchronous buck converters powered from 2.25V to 5.5V independent power supplies. The eight independent buck regulators have an output voltage range of 0.425V to VIN, plus a high voltage always-ON 25mA LDO controller.

The 1A Buck DC/DCs are designed for flexible sequencing and fault monitoring in a small QFN and TSSOP package. Flexible and reliable power-up sequencing and system monitoring is provided by the DC/DCs pushbutton ON/OFF/RESET control, power-on reset, and watchdog timer.

The Analog Devices LTC3374/3375 DC/DCs are excellent for a wide variety of multichannel applications including automotive, industrial, and communications systems.

Features

  • LTC3374
    • 8-channel independent step-down DC/DCs
    • Master-slave configurable for up to 4A per output rail with a single inductor
    • Independent VIN supplies for each DC/DC (2.25V to 5.5V)
    • All DC/DCs have 0.8V to VIN output range
    • Precision enable pin thresholds for autonomous sequencing
    • 1MHz to 3MHz programmable/synchronizable oscillator frequency (2MHz default)
    • Die temperature monitor output
    • Thermally enhanced 38-lead QFN (5mm × 7mm) and TSSOP packages
  • LTC3375
    • 8-channel independent step-down DC/DCs
    • Master-slave configurable for up to 4A per output channel with a single inductor
    • Independent VIN supply for each DC/DC (2.25V to 5.5V)
    • All DC/DCs have a 0.425V to VIN output voltage range
    • Precision enable pin thresholds for autonomous sequencing (or I2C control)
    • 1MHz to 3MHz programmable/synchronizable oscillator frequency (2MHz default)
    • I2C selectable phasing (90° steps) per channel
    • Programmable power-on reset/watch dog/pushbutton timing
    • Die temperature monitor output
    • 48-lead (7mm × 7mm) QFN package

Applications

  • General-purpose multichannel power supplies
  • Industrial
  • Automotive
  • Communications

LTC3374 Typical Application

Block Diagram - Analog Devices Inc. LTC3374/3375 8-Ch Parallelable 1A Buck DC/DCs

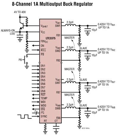
LTC3375 Typical Application

Block Diagram - Analog Devices Inc. LTC3374/3375 8-Ch Parallelable 1A Buck DC/DCs

Additional Resources

Demand Flexible and Configurable Power Management ICs

Technological advances have driven the increase of feature-rich content for automotive infotainment, consumer handhelds, industrial equipment, and medical devices. These complex digital devices require multirail, high power density power
supplies featuring high current, low voltage, and fast transient response. The LTC3376 pin-configurable PMIC is a new generation of high-efficiency multi-output power supply ICs.

Learn More

發佈日期: 2017-04-27 | 更新日期: 2024-03-11