Linear Technology LTC2876 & LTC2877 RS485 Transceivers

Linear Technology/Analog Devices LTC2876和LTC2877
RS485收發器

Linear Technology/Analog Devices LTC2876和LTC2877 RS485收發器為符合PROFIBUS-DP master與PROFIBUS-DP slave測試規格的PROFIBUS RS485收發器。這些收發器完全相容於IEC 61158-2類型3:媒體連接單元 (MAU)。LTC2876/LTC2877支援所有的PROFIBUS資料傳輸速率,最高可達12Mbps,運作速率最高達20Mbps。

產品特色
  • 符合PROFIBUS IEC 61158-2標準
  • ±60V過電壓線路故障保護
  • ±52kV ESD介面腳位、±15kV所有其他腳位
  • ±2kV (Level 4) IEC61000-4-4快速瞬態叢發
  • ±25V運作共模範圍
  • 20Mbps最高鮑率
  • 1.65V至5.5V邏輯供電腳位,可用於彈性數位介面 (LTC2877)
  • 全平衡型差分接收器閾值,遲滯為240mV,具有優異的雜訊容差和低工作週期失真

  • 5V供電,於低功率低擺盪應用下最低可用3V運作
  • 接收器具備故障保護功能,可在開路、短路和終止狀況下運作
  • 寬廣的作業溫度範圍:-40°C至125°C
  • 提供小尺寸的DFN和MSOP封裝

應用
  • PROFIBUS-DP
  • 工業通訊網路
  • RS485和RS422系統
  • 3V低電壓差分訊號
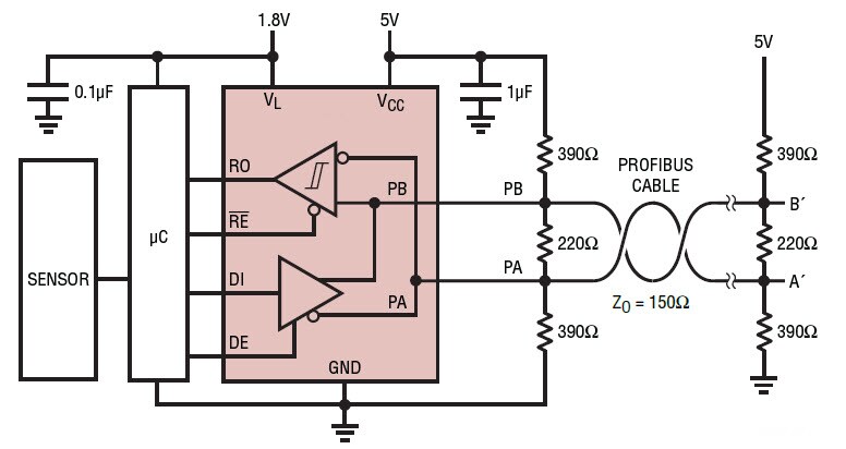
典型應用
Typical Application
eNews
  • Linear Technology / Analog Devices
發佈日期: 2017-04-25 | 更新日期: 2022-03-11