Analog Devices Inc. LTC2335-16/-18 8-Channel SoftSpan™ ADCs
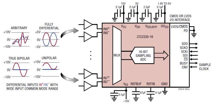
Analog Devices Inc. LTC2335-16 / LTC2335-18 16- and 18-bit SoftSpan™ Analog-to-Digital Converters are 1Msps, 8-channel multiplexed sampling successive approximation register (SAR) ADCs. These low-noise ADCs offer differential, wide common-mode range inputs. Designers can configure the LTC2335-16/-18 ADCs on a conversion-by-conversion basis to accept ±10.24V, 0V to 10.24V, ±5.12V, or 0V to 5.12V signals on any channel. Additionally, the ADCs can be programmed to cycle through a sequence of channels and ranges without further user intervention.The wide input common-mode range and 118dB CMRR of the analog inputs enable the LTC2335-16 and LTC2335-18 to directly digitize a variety of signals. This process simplifies signal chain design. In addition to input signal flexibility, these Analog Devices Inc. ADCs offer ±3LSB (18-bit) or ±1LSB (16-bit) INL, no missing codes, and 96.7db (18-bit) or 96.7dB (16-bit) SNR. Operating from a low 5V voltage supply, the LTC2335-16 / LTC2335-18 ADCs are ideal for use in a variety of applications requiring a wide dynamic range.
Features
- 1Msps throughput
- ±1LSB INL (16-bit); ±3LSB INL (18-bit) (maximum ±10.24V range)
- Guaranteed 16-/18-bit, no missing codes
- Differential, wide common-mode range inputs
- 8-Channel Multiplexer with SoftSpan Input Ranges
- ±10.24V, 0V to 10.24V, ±5.12V, 0V to 5.12V
- ±12.5V, 0V to 12.5V, ±6.25V, 0V to 6.25V
- 94.4dB single-conversion SNR (16-bit); 96.7dB single-conversion SNR (18-bit)
- −109dB THD (typical) at fIN = 2kHz
- 118dB CMRR, 125dB active crosstalk (typical)
- Rail-to-rail input overdrive tolerance
- Programmable sequencer with no-latency control
- Guaranteed operation to +125°C
- Integrated reference and buffer (4.096V)
- SPI CMOS (1.8V to 5V) and LVDS serial I/O
- No pipeline delay, no cycle latency
- 180mW power dissipation (typical)
- 48-lead (7mm × 7mm) LQFP package
Applications
- Programmable logic controllers
- Industrial process control
- Medical imaging
- High speed data acquisition
LTC2335-16 Typical Application
Additional Resources
發佈日期: 2017-04-28
| 更新日期: 2022-03-11
