LT8228提供雙向輸入及輸出電流限制以及獨立的電流監控功能。利用無主容錯均流技術,可以新增或刪減任何並行的LT8228,同時保持均流精度。可透過FAULT及REPORT引腳進行內部及外部故障診斷及報告。LT8228採用38引腳TSSOP封裝。
特點
- 雙向電壓或電流調節
- 雙向反向電流保護
- -60V輸入及輸出負壓保護
- 雙向浪湧電流限制及升壓輸出短路保護
- 開關MOSFET短路探測及保護
- 10V柵極驅動
- 高達100V的寬輸入及輸出電壓範圍
- 回饋電壓容差:±1.0%(過熱時)
- 雙向可編程電流調節及監控
- 廣泛的自檢、診斷及故障報告
- 可編程固定或可同步開關頻率:80kHz至600kHz
- 可編程軟啟動及動態電流限制
- 無主容錯均流
應用
- 雙電池汽車及工業系統
- 大功率備用及電源穩定系統
- N+1高可靠性冗餘電源
- 斷電保護系統
影片
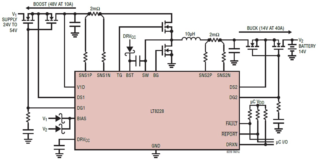
典型應用
發佈日期: 2019-11-26
| 更新日期: 2025-02-17

