 |
|
Analog Devices HMC116x MMIC 壓控振盪器
|
概述
Analog Devices HMC116x系列產品為超低相位雜訊MMIC壓控振盪器(VCO),頻率覆蓋範圍達8-14GHz,並具備半頻輸出。HMC116x VCO HMC116x VCO整合諧振器、負電阻元件、變容二極體和分頻器。VCO的單片式結構在各種溫度下均可表現出卓越的輸出功率和相位雜訊性能。
高輸出功率 HMC116x系列產品具有高射頻功率輸出(8-12dBm)。高輸出功率無需LO緩衝放大器來驅動上/下轉換器(混合器)和外部PLL。
低相位雜訊性能 HMC116x VCO的典型低相位雜訊(在10kHz時為-89dBc/Hz或在100kHz時為-115dBc/Hz)可實現較高的調變速率和較低的位元錯誤率。低相位雜訊特性也有助於提高X波段雷達和Ku波段VSAT系統性能。
直流低功耗 HMC116x VCO的直流功耗低,5V時為~220mA,有助於設計人員降低其應用中的電源要求。
|
特性
- 雙輸出頻率範圍
- fOUT = 8.45GHz - 14.07GHz
- fOUT/2 = 4.225GHz - 7.035GHz
- 功率輸出(POUT): 8-11dBm(典型值)
- 單邊帶(SSB)相位雜訊:
- 10kHz時為−89dBc/Hz
- 100kHz時為−115dBc/Hz
- 無需外部諧振器
- 工作溫度範圍:-40ºC至+85ºC
- 符合RoHS
- 業界標準5mm×5mm LFCSP封裝和引腳分配
應用
- 點對點和多點無線電
- 測試設備和工業控制
- 超小型天線(VSAT)
|
零件表
|
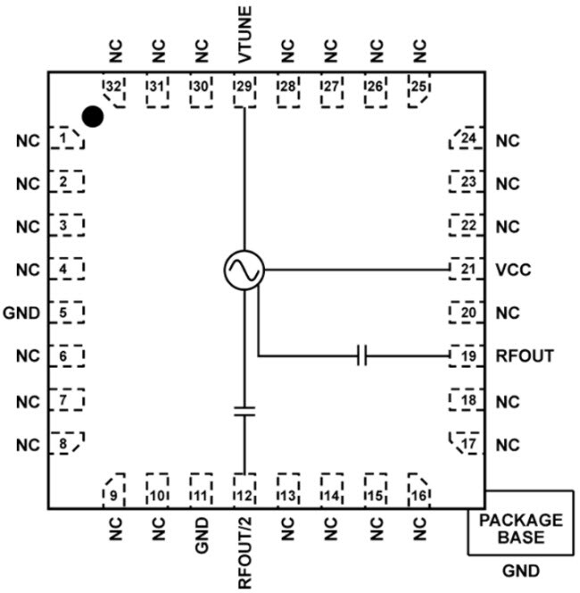
功能方塊圖

|
|
 |
發佈日期: 2016-04-11
| 更新日期: 2022-03-11