Analog Devices Inc. EVAL-HMC520A Evaluation Board

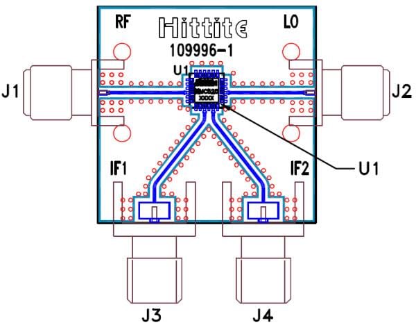
Analog Devices Inc. EVAL-HMC520A Evaluation Board demonstrates the capabilities of the HMC520A GaAs, MMIC, I/Q Mixers. The EVAL-HMC520A Evaluation Board configuration includes the HMC520ALC4 mixer, signal lines with 50Ω impedance, and SMA connectors. Developed using RF circuit design techniques, the board provides a sufficient number of via holes to connect the top and bottom ground planes. The signal lines connect the package ground leads and exposed pad directly to the ground plane.

Board Layout

Analog Devices Inc. EVAL-HMC520A Evaluation Board
發佈日期: 2017-08-25 | 更新日期: 2022-04-25