ADI ADRF5042需要+3.3V和-3.3V的雙供應電壓。本裝置具備CMOS和低電壓電晶體對電晶體邏輯 (LVTTL) 相容控制。ADRF5042具備啟用和邏輯選擇控制,可分別提供全關閉狀態和連接埠鏡射。ADRF5042的腳位與作業範圍介於9 kHz至44 GHz的ADRF5043低頻截斷版本相容。
ADRF5042矽非反射式SP4T開關採用24個端子、3 mm x 3 mm、符合RoHS標準的平面柵格陣列 (LGA) 封裝,作業溫度介於-40°C至+105°C。
特點
- 100MHz至44 GHz超寬頻頻率範圍
- 非反射50Ω設計
- 低插入損耗
- 1.8dB,最高至18GHz
- 2.8dB,最高至40GHz
- 3.2dB,最高至44GHz
- 高隔離
- 50dB,最高至18GHz
- 39dB,最高至40GHz
- 35dB,最高至44GHz
- 高輸入線性
- 26dBm(典型值)P0.1dB
- 47dBm(典型值)IP3
- 高功率處理
- 24dBm通過路徑
- 24dBm終止路徑
- 全關閉狀態控制
- 邏輯選擇控制
- 無低頻雜散
- 30ns安定時間(最終RF輸出0.1 dB)
- 24個端子、3 mm x 3 mm、平面柵格陣列 (LGA) 封裝
- 腳位與低頻截斷版本的ADRF5043相容
應用
- 工業掃描器
- 測試儀器
- 手機基礎架構 – 毫米波 (mmWave) 5G
- 軍用無線電、雷達、電子反制 (ECM)
- 微波無線電與超小型天線 (VSAT)
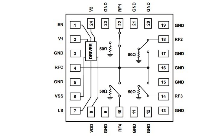
方塊圖
影片
發佈日期: 2020-09-23
| 更新日期: 2024-11-11

