Analog Devices Inc. ADPD188BI整合式光學模組

Analog Devices Inc. ADPD188BI整合式光學模組為完整的測光系統,能運用光學雙波長技術偵測煙霧。模組整合高效率的光度測定前端、兩個發光二極體 (LED) 和兩個光電二極體 (PD)。本模組已裝入到客製化封裝內,可預防光線從LED直接進入光電二極體,而不是先進入煙霧偵測室。

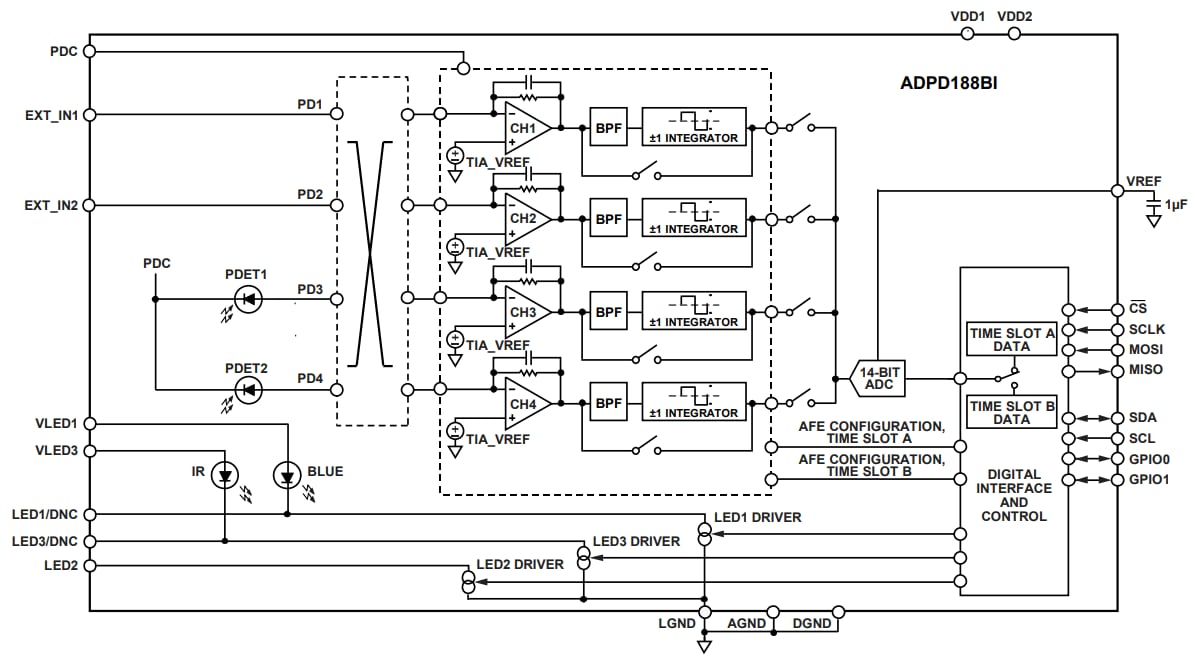
特定應用積體電路 (ASIC) 的前端包含控制區塊、含20位元突波蓄壓器的14位元類比轉數位轉換器 (ADC),以及三個彈性、可獨立設定的LED驅動器。控制電路內含彈性的LED訊號與同步偵測。類比前端 (AFE) 具有同級最佳的拒斥能力,可避免大多由環境光造成的調頻干擾導致的訊號偏移與毀損。資料輸出與功能性組態可透過1.8V I2C介面或序列周邊裝置介面 (SPI) 連接埠執行。

特點

  • 模組尺寸3.8 mm × 5.0 mm × 0.9 mm,含整合式光學元件
  • 1個藍光LED、1個紅外線LED,和2個光電二極體
  • 2個用於其他感測器(例如,一氧化碳和溫度)的外部輸入
  • 20位元突波蓄壓器,允許每取樣期間20位元
  • 3個370 mA LED驅動器
  • 內建取樣對取樣累加器,每次資料讀取高達27位元
  • 最佳化SNR,適用於訊號受限的外殼
  • I2C或SPI通訊

影片

方塊圖

結構圖 - Analog Devices Inc. ADPD188BI整合式光學模組

技術文章

EVAL-ADPD188BI-ALGO - UL/EN Algorithms Software

EVAL-ADPD188BI-DATA - UL/EN Data Set

發佈日期: 2018-08-15 | 更新日期: 2024-08-22