Analog Devices Inc. ADAQ4380-4 Quad-Channel Precision DAQ

Analog Devices ADAQ4380-4 Quad-Channel Precision Data Acquisition (DAQ) is a signal chain μModule® solution that reduces the development cycle of a precision measurement system. This solution transfers the signal chain design challenges of optimization, component selection, and layout from the designer to the device.

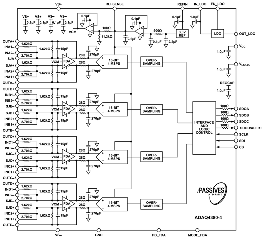
Using system-in-package (SIP) technology, the ADAQ4380-4 reduces end system component count by combining multiple common signal processing and conditioning blocks into a single device. These blocks include a quad-channel, high-resolution 16-bit, 4MSPS simultaneous sampling SAR ADC, low noise, fully differential ADC driver amplifier, a 3.3V precision voltage reference, low-noise buffer amplifiers, and low-dropout linear regulator.

The Analog Devices ADAQ4380-4 has an on-chip oversampling block to improve the dynamic range and reduce noise at lower bandwidths. The oversampling can boost up to two bits of added resolution. It provides the flexibility of a configurable ADC driver feedback loop to allow four gain and attenuation adjustments and accepts both fully differential or single-ended to differential input configurations.

The conversion result can clock out simultaneously through 4-wire mode for faster throughput or through 1-wire serial mode when slower throughput is allowed. The ADAQ4380-4 is compatible with 1.8V, 2.5V, and 3.3V interfaces using the separate logic supply and is specified to operate over a temperature range of −40°C to +105°C.

Features

  • Easy to use μModule data acquisition system
    • 11x footprint reduction v.s. discrete solution
    • Integrated critical passive components
    • 5V single supply operation
  • Guaranteed 16-bit, no missing codes
  • On-chip oversampling function
  • 2-bit resolution boost
  • Out-of-range indicator (ALERT)
  • INL of ±0.6LSB typical, ±2LSB maximum
  • SNR (typical)
    • 91.0dB at Gain = 1.0, fIN = 1kHz
    • 97.8dB with OSR = x8 at Gain = 1.0, fIN = 1kHz
  • Channel-to-channel phase matching of 0.005° typical at fIN = 20kHz
  • Integrated high precision reference, 3ppm/°C typical drift
  • 0.005% typical gain error
  • 0.8ppm/°C typical gain drift
  • Integrated internal buffer with VCM generation
  • Integrated fully differential ADC driver with signal scaling
    • Wide input common-mode voltage range
    • High common-mode rejection
  • Single-ended to differential conversion
  • Pin selectable input range with over-range
    • Input ranges: ±2V, ±3.3V, ±5.5V, ±11V
    • Gain/attenuation: G = 0.3, 0.6, 1.0, and 1.6
  • High-speed serial interface
  • 8mm x 8mm, 0.8mm pitch, 81-ball CSP_BGA package

Applications

  • Lab-grade battery test system
  • Motor control current sense
  • Motor control position feedback
  • Sonar
  • Power quality monitoring
  • Data acquisition system
  • Erbium-Doped Fiber Amplifier (EDFA) applications
  • I and Q demodulation

Simplified Block Diagram

Block Diagram - Analog Devices Inc. ADAQ4380-4 Quad-Channel Precision DAQ
發佈日期: 2024-08-07 | 更新日期: 2025-03-14