Amphenol SGX Sensortech VQ23 Combustible Gas Detector Elements
Amphenol SGX Sensortech VQ23 Combustible Gas Detector Elements are improved poison-resistant sensors consisting of two matched elements that are used for the detection of combustible gases, particularly methane in air mixtures with concentrations from 0.1% upwards. The VQ23 components have no interference from water vapor or carbon dioxide. Using the recommended bridge circuit and the suggested mounting arrangement, the minimum sensitivity is 10mV/% methane. The VQ23 has been designed for use in atmospheres where traces of silicone and other poisoning agents may be present.Features
- Detection of combustible gases, specifically Methane in air mixtures with concentrations from 0.1% upwards
- No interference from water vapor or carbon dioxide
- Designed for use in atmospheres where traces of silicone and other poisoning agents may be present
- 1.1W maximum bridge power consumption
- 2.4V to 2.6V bridge supply range
- 335mA typical average sensor current
- 2s response time
Bridge Circuit
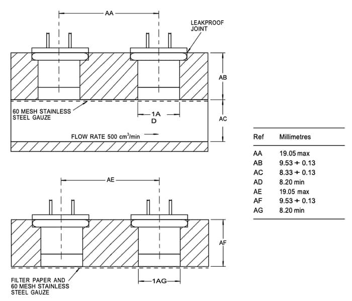
Mounting Arrangement
發佈日期: 2017-05-02
| 更新日期: 2023-05-12
