Amphenol Aerospace 32-Channel 10G Rugged Ethernet Switch Box
Amphenol Aerospace 32-Channel 10G Rugged Ethernet Switch Box is configurable for system connectivity, speeds, port types, interoperation with various high-speed media converters, and connectors. These connectors contain standard AS39029 qualified Size 22D contacts, Octonet contacts, and 48F MT Ferrule fiber optic contact assemblies. Each port is capable of 10G Ethernet, some ports can either be configured as 10G-Base-T (also supporting 100-Base-T and 1G-Base-T) or 10G-Base-SR and 1G-Base-SX. The switch is non-blocking and low latency for high-throughput architectures and applications.Features
- 8 channels of copper: 10/100/1G/10GBase-T
- 24 channels of fiber: configured as 1GBase-SX or 10GBase-SR
- 320 terabits per second non-blocking L2/L3 switch
- Dual-core ARM processor with flash, SPI, EEPROMs, DDR3, and mgmt.Ethernet connection
- Uboot and Linux OS for L2 / L3 switching
- Web browser, SSH, CLI, and telnet
- Embedded reset and status CPLD
- Service micro-controller for power down, reset, and restart in overheat event
- 28VDC mil-spec power supply with EMI filter
- 100W typical power consumption at room temperature
- ETI, circuit breaker, and power supply status LEDs
- Power connector, debug connector, and maintenance connector
- MIL-Spec black painted chassis with cold plate external conduction cooling
- Support for PTP boundary clock
- Rear mounting panel is paint-free for electrical bonding
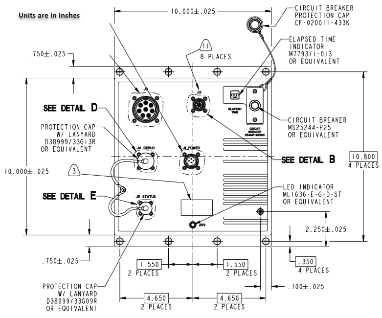
Mechanical Diagaram
Block Diagram
Additional Resource
發佈日期: 2023-09-11
| 更新日期: 2023-09-15
