Alliance Memory Mobile Low Power SDRAMs
Alliance Memory Mobile Low Power SDRAMs are high-performance CMOS Dynamic RAMs (DRAM) with a 64ms refresh period (4K cycle). These devices feature advanced circuit design to provide low active current and extremely low standby current. The low power features include Auto Temperature Compensated Self Refresh (TCSR), partial array self-refresh power-saving mode, deep power-down mode, and driver strength control.The Mobile Low Power SDRAMs support 133MHZ/166MHZ high speeds and operate within -40°C to 85°C industrial temperature range. These quad bank devices are available in 128M, 256M, and 512M densities with 4Mx32, 8Mx16, 8Mx32, 16Mx32, and 32Mx16 organizations. The Mobile Low Power SDRAMs are compatible with the JEDEC standard LP-SDRAM specifications.
Features
- Standard SDRAM functionality
- 1, 2, 4, 8, or full page programmable burst lengths
- 64ms refresh period (8K cycle)
- High-speed data transfer rates up to 166MHz
- Available configurations
- 128M Density
- 8Mbit x 16 organization
- 4Mbit x 32 organization
- 256M Density
- 16Mbit x 16 organization
- 8Mbit x 32 organization
- 512M Density
- 32Mbit x 16 organization
- 16Mbit x 32 organization
- 128M Density
- Auto-refresh and self-refresh
- Power down node and clock suspend mode
- JEDEC compatibility
- Low power characteristics
- Auto Temperature Compensated Self Refresh (Auto TCSR)
- Partial Array Self Refresh (PASR) power-saving mode
- Deep Power Down (DPD) mode
- Drive Strength (DS) control
- Available packages
- 54-ball (8x9mm) FBGA
- 90-ball (8x13mm) FBGA
- -40°C to 85°C operating temperature range (industrial)
- Pb-free and Halogen-free
Additional Resources
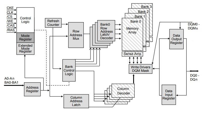
Logical Block Diagram
發佈日期: 2017-01-03
| 更新日期: 2022-03-11
