香港 - 標誌 香港

請確認您的貨幣選擇:

港幣
國際貿易術語:貨交承運人(裝運地點)
關稅、海關手續費和貨物服務稅在交貨時收取。
對於超過 HK$330 (HKD) 的訂單免運費

美元
國際貿易術語:貨交承運人(裝運地點)
關稅、海關手續費和貨物服務稅在交貨時收取。
對於超過 $50 (USD) 的訂單免運費

Bench Talk for Design Engineers

Bench Talk

rss

Bench Talk for Design Engineers | The Official Blog of Mouser Electronics


Texas Instruments Wide Bandgap Solutions Texas Instruments

(Source: Ivan Kmit – adobestock.com)

It All Started with a Calculator

When I was in high school and college, the ever-present tool I used as a fledging engineer was the Texas Instruments (TI) 30 calculator (Figure 1). The thing was indestructible. I used to demonstrate its toughness by letting it go from the third-story fire escapes onto the grass below, and it still worked. I used to throw them at school walls, and it never broke. Nothing I have ever bought has proven to be as excellent a value as this 5 x 8 keypad, a mathematical computational marvel. It was my introduction to Texas Instruments. And I was impressed. I wanted to work for them.

Figure 1: Vintage TI-30 calculator (Source: France1978/ CC BY-SA 2.0)

Along my engineering journey, I learned that TI is an expert in power management. Power management is an essential topic as electrification pushes designers to look for ever greater efficiency, and the high-voltage power market’s needs for higher power are growing. Texas Instruments believes that wide bandgap (WBG) technologies, such as gallium nitride (GaN), will play a key role in answering the demand for greater efficiency, performance, and reliability of high-voltage systems. TI is applying its expertise to innovate in the high-power space, focusing on highly integrated GaN solutions. TI’s integration approach is unique in the industry, enabling maximum performance, power density, ease of design, and lower system cost.

Why GaN

GaN ICs help maximize power density and efficiency. Using GaN devices can reduce power loss by 80 percent in power converters. The TI family of GaN FETs with integrated gate drivers and GaN power devices offers the most efficient GaN solution with lifetime reliability and cost advantages. GaN transistors switch much faster than silicon MOSFETs, which allows engineers to design higher frequency power stages with smaller magnetic components. Additionally, GaN provides power density improvement while offering the potential to achieve lower-switching losses.

Faster Switching Speed Than Discrete GaN FETs

TI's GaN FETs with integrated drivers can reach switching speeds of 150V/ns. These switching speeds, combined with a low-inductance package, reduce losses, enable clean switching and minimize ringing.

Smaller Magnetics, Higher Power Density

Enabled by faster switching speeds, TI's GaN devices can help you achieve switching frequencies over 500kHz, which results in up to 60 percent smaller magnetics, enhanced performance, and lower system cost.

Built for Reliability

TI's GaN devices are designed to keep high-voltage systems safe, thanks to a proprietary GaN-on-Si process, more than 40 million hours of reliability testing and protection features.

Designers use TI GaN ICs in many applications, from telecommunications, servers, motor drives, and laptop adapters to onboard chargers for electric vehicles.

TI GaN for Servers

Server racks are valued for their computational power per the required energy consumption and floor space (Figure 2). This means an ever-present need to increase the server’s power supply. Additionally, every watt (W) of heat output is a watt of cooling required by the server installation. One percent improvement in power efficiency improvement equates to approximately $70 of savings for every 1kW of power supply capability. GaN FETs also have lower switching losses when compared to traditional silicon (Si) FETs. Over the server’s lifetime, savings netted from higher efficiencies across a data center may equal millions of dollars.

Figure 2: Server racks maximize computational power, energy efficiency, and floor space. (Source: Michail - adobestock.com)

A wide range of industrial applications require weatherproof enclosures or have limited cooling capacities; as a result, they require expensive heatsinks to function properly. These applications are where the value of TI’s GaN solutions shines. They provide higher power densities in a smaller space at the same power level. Achieving more power in the same space is realized by GaN’s ability to switch at higher frequencies. This allows customers to shrink the size of server power supply units (PSUs) while reducing power losses—by approximately 30 percent to 40 percent—and energy consumption.

For Automotive

Vehicle electrification is transforming the automotive industry, and consumers are increasingly demanding vehicles that can charge faster and drive farther. As a result, engineers are being challenged to design compact, lightweight automotive systems without compromising vehicle performance. TI has automotive GaN FETs that enable the reduction in size of electric vehicle (EV) onboard chargers and DC/DC converters by as much as 50 percent compared to existing Si or SiC solutions. The result is allowing engineers to achieve extended battery range, increased system reliability and lower design cost.

Uniquely Integrated

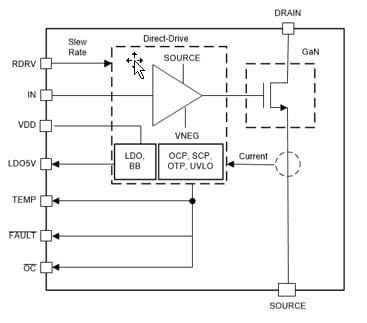
Texas Instruments' specific approach to integrating the gate driver and other functionality with GaN field effect transistors (FETs) offers the simplest and best solution for GaN across the market. Integrating gate drivers with the GaN FETs improves performance. Many semiconductor manufacturers integrate the drivers, but only TI is unique in that, presently, they are also integrating biasing and safety features (Figure 3). This adds value to customers by helping to reduce parasitics between drivers and FETs. It simultaneously reduces loop inductance, which helps lead to faster switching speeds (>2x). Other integration features simplify the general design by handling power management and protection features.

Figure 3: Texas Instruments offers uniquely integrated gate drivers with GAN FETs. (Texas Instruments)

TI and Mouser GaN Together

Texas Instruments LMG34XX-BB-EVM GaN System Evaluation Board is a fully integrated solution that may get used for prototyping (Figure 4). This breakout board further simplifies the design process with GaN and makes it friendly for engineers. It may be employed to configure any LMG34xx half-bridge board, such as a synchronous buck converter. By providing a power stage, bias power, and logic circuitry, this evaluation module allows for quick measurements of the GaN device switching. This evaluation module can deliver suitable output current with appropriate thermal management (forced air, low-frequency operation, etc.) to ensure the maximum operating temperature does not get exceeded.

Figure 4: Texas Instruments LMG34XX-BB-EVM GaN System Evaluation Board (Mouser Electronics)

Conclusion

My TI-30 calculator was an integrated computational powerhouse for its era. Likewise, TI is also a leading innovator when it comes to GaN solutions that play a crucial role in answering the demand for greater efficiency, performance, and reliability of high-voltage systems. Looking for an integrated approach that is truly unique in the industry, enabling maximum performance, power density, ease of design, and lower system cost? Look to TI.

Author

Paul Golata joined Mouser Electronics in 2011. As a Senior Technology Specialist, Paul contributes to Mouser’s success through driving strategic leadership, tactical execution, and the overall product-line and marketing directions for advanced technology-related products. He provides design engineers with the latest information and trends in electrical engineering by delivering unique and valuable technical content that facilitates and enhances Mouser Electronics as the preferred distributor of choice.

Before joining Mouser Electronics, Paul served in various manufacturing, marketing, and sales-related roles for Hughes Aircraft Company, Melles Griot, Piper Jaffray, Balzers Optics, JDSU, and Arrow Electronics. He holds a BSEET from the DeVry Institute of Technology (Chicago, IL); an MBA from Pepperdine University (Malibu, CA); an MDiv w/BL from Southwestern Baptist Theological Seminary (Fort Worth, TX); and a PhD from Southwestern Baptist Theological Seminary (Fort Worth, TX).



« Back


Texas Instruments LogoTexas Instruments Incorporated designs and manufactures analog technologies, digital signal processing (DSP) and microcontroller (MCU) semiconductors. TI is a leader in semiconductor solutions for analog and digital embedded and applications processing. A global semiconductor company, TI innovates through design, sales and manufacturing operations in more than 30 countries.


All Authors

Show More Show More
View Blogs by Date

Archives